Каталог запасных частей к технике: Opel Zafira 2.0 Turbo Edition (2012). Двигатель/ Система охлаждения 4

1
1
3
3
4
5
6
7
8
9
10
11
12
13
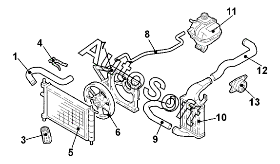
Позиция на иллюстрации | Заводской номер детали | Название детали | |
---|---|---|---|
1 | 1***1 | Шланг радиатора верхн. | |
1 | 1***2 | Шланг радиатора нижн. | |
3 | 6***2 | Кронштейн радиатора нижн. | |
3 | 6***3 | Кронштейн радиатора нижн. | |
4 | 6***1 | Кронштейн радиатора | |
5 | 1***7 | Радиатор | |
6 | 6***2 | Вентилятор системы охлаждения | |
7 | 1***2 | Кожух вентилятора | |
8 | 1***3 | Шланг расширительного бачка | |
9 | 5***7 | Шланг турбокомпрессора | |
10 | 6***2 | Охладитель наддувочного воздуха | |
11 | 1***2 | Бачок расширительный | |
12 | 5***8 | Шланг охладителя наддувочного воздуха нижн. | |
13 | 5***6 | Подушка крепления двигателя передн. |
Содержащиеся в справочниках-каталогах запасные части и детали не предлагаются к продаже, а носят исключительно информационный характер. В демо-версии артикулы (номера деталей) скрыты. Если вы хотите видеть полные оригинальные номера запчастей, вам необходимо зарегистрироваться на нашем сайте и приобрести подписку по интересующей вас конфигурации, после этого вы сможете встроить онлайн-каталоги на ваш сайт или пользоваться ими из личного кабинета нашего сайта. Обращаем ваше внимание на то, что каталоги содержат информацию об оригинальных заводских номерах и названиях запчастей. База по аналогам в данный момент не реализована. Поиска по VIN-номерам в онлайн-каталоге не предусмотрено. Выбор конкретного каталога осуществляется путем открытия нужного типа техники, марки, модели с учетом года выпуска или модификации.