Каталог запасных частей к технике: Mercedes Benz C 32 T AMG (2012). Двигатель/ Система охлаждения 4

1
2
2
3
3
4
4
5
5
6
7
8
9
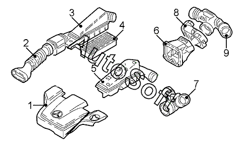
Позиция на иллюстрации | Заводской номер детали | Название детали | |
---|---|---|---|
1 | 1***7 | Кожух защитный средн. верхн. | |
2 | 1***2 | Шланг воздухозаборника прав. | |
2 | 1***2 | Шланг воздухозаборника лев. | |
3 | 1***1 | Фильтр воздушный лев. в сборе | |
3 | 1***1 | Фильтр воздушный прав. в сборе | |
4 | 1***4 | Элемент фильтрующий воздушного фильтра прав. | |
4 | 1***4 | Элемент фильтрующий воздушного фильтра лев. | |
5 | 1***7 | Труба наддувочного воздуха лев. | |
5 | 1***7 | Труба наддувочного воздуха прав. | |
6 | 1***2 | Корпус воздухозаборника | |
7 | 1***1 | Воздухораспределитель | |
8 | 1***5 | Регулятор холостого хода | |
9 | 1***9 | Труба впускная |
Содержащиеся в справочниках-каталогах запасные части и детали не предлагаются к продаже, а носят исключительно информационный характер. В демо-версии артикулы (номера деталей) скрыты. Если вы хотите видеть полные оригинальные номера запчастей, вам необходимо зарегистрироваться на нашем сайте и приобрести подписку по интересующей вас конфигурации, после этого вы сможете встроить онлайн-каталоги на ваш сайт или пользоваться ими из личного кабинета нашего сайта. Обращаем ваше внимание на то, что каталоги содержат информацию об оригинальных заводских номерах и названиях запчастей. База по аналогам в данный момент не реализована. Поиска по VIN-номерам в онлайн-каталоге не предусмотрено. Выбор конкретного каталога осуществляется путем открытия нужного типа техники, марки, модели с учетом года выпуска или модификации.