Каталог запасных частей к технике: Mercedes Benz E 320 (2012). Ходовая часть 2

4
5
7
10
1
3
2
6
8
9
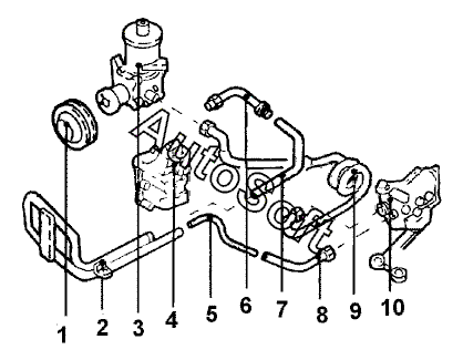
Позиция на иллюстрации | Заводской номер детали | Название детали | |
---|---|---|---|
1 | 1***5 | Шкив гидронасоса | |
2 | 1***4 | Труба охлаждающая | |
3 | 2***1 | Гидронасос | |
4 | 1***5 | Кронштейн гидронасоса | |
5 | 2***2 | Шланг отводящий | |
6 | 1***4 | Трубопровод отводящий | |
7 | 2***2 | Шланг отводящий | |
8 | 1***4 | Трубопровод отводящий | |
9 | 1***1 | Трубопровод нагнетательный | |
10 | 1***1 | Усилитель руля |
Содержащиеся в справочниках-каталогах запасные части и детали не предлагаются к продаже, а носят исключительно информационный характер. В демо-версии артикулы (номера деталей) скрыты. Если вы хотите видеть полные оригинальные номера запчастей, вам необходимо зарегистрироваться на нашем сайте и приобрести подписку по интересующей вас конфигурации, после этого вы сможете встроить онлайн-каталоги на ваш сайт или пользоваться ими из личного кабинета нашего сайта. Обращаем ваше внимание на то, что каталоги содержат информацию об оригинальных заводских номерах и названиях запчастей. База по аналогам в данный момент не реализована. Поиска по VIN-номерам в онлайн-каталоге не предусмотрено. Выбор конкретного каталога осуществляется путем открытия нужного типа техники, марки, модели с учетом года выпуска или модификации.