Каталог запасных частей к технике: Mercedes Benz E 200 (2012). Двигатель/Система охлаждения 2

16
13
12
4
3
2
1
18
17
5
14
11
10
9
8
7
6
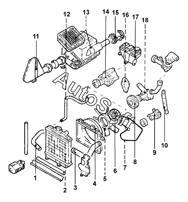
Позиция на иллюстрации | Заводской номер детали | Название детали | |
---|---|---|---|
1 | 1***2 | Шланг радиатора прав. нижн. | |
2 | 1***3 | Радиатор | |
3 | 1***2 | Шланг радиатора лев. верхн. | |
4 | 1***5 | Кожух вентилятора | |
5 | 6***3 | Крыльчатка вентилятора | |
6 | 1***2 | Муфта вентилятора | |
7 | 0***2 | Ремень клиновой | |
8 | 1***0 | Шкив водяного насоса | |
9 | 1***0 | Натяжитель ремня | |
10 | 1***4 | Амортизатор | |
11 | 1***4 | Воздухозаборник | |
12 | 1***5 | Шланг уравновешивающий | |
13 | 1***2 | Фильтр воздушный в сборе | |
14 | 0***2 | Генератор | |
16 | 1***5 | Кронштейн генератора нижн. | |
17 | 1***9 | Бачок расширительный | |
18 | 1***1 | Насос водяной |
Содержащиеся в справочниках-каталогах запасные части и детали не предлагаются к продаже, а носят исключительно информационный характер. В демо-версии артикулы (номера деталей) скрыты. Если вы хотите видеть полные оригинальные номера запчастей, вам необходимо зарегистрироваться на нашем сайте и приобрести подписку по интересующей вас конфигурации, после этого вы сможете встроить онлайн-каталоги на ваш сайт или пользоваться ими из личного кабинета нашего сайта. Обращаем ваше внимание на то, что каталоги содержат информацию об оригинальных заводских номерах и названиях запчастей. База по аналогам в данный момент не реализована. Поиска по VIN-номерам в онлайн-каталоге не предусмотрено. Выбор конкретного каталога осуществляется путем открытия нужного типа техники, марки, модели с учетом года выпуска или модификации.