Каталог запасных частей к технике: Mercedes Benz E 350 T CDI DPF BlueEFFICIENCY Avantgarde 7G-Troni (2012). Ходовая часть 8

1
1
2
2
4
4
6
6
3
3
5
5
7
7
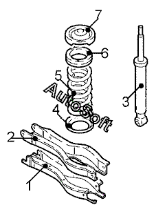
Позиция на иллюстрации | Заводской номер детали | Название детали | |
---|---|---|---|
1 | 2***8 | Облицовка рычага задн. лев. | |
1 | 2***8 | Облицовка рычага задн. прав. | |
2 | 2***6 | Рычаг задн. прав. | |
2 | 2***6 | Рычаг задн. лев. | |
3 | 2***0 | Амортизатор задн. прав. | |
3 | 2***0 | Амортизатор задн. лев. | |
4 | 2***4 | Кольцо задн. амортизатора прав. нижн. | |
4 | 2***4 | Кольцо задн. амортизатора лев. нижн. | |
5 | 2***4 | Пружина витая задн. прав. | |
5 | 2***4 | Пружина витая задн. лев. | |
6 | 2***7 | Кольцо задн. амортизатора прав. верхн. | |
6 | 2***7 | Кольцо задн. амортизатора лев. верхн. | |
7 | 2***4 | Накладка облицовочная опоры прав. | |
7 | 2***4 | Накладка облицовочная опоры лев. |
Содержащиеся в справочниках-каталогах запасные части и детали не предлагаются к продаже, а носят исключительно информационный характер. В демо-версии артикулы (номера деталей) скрыты. Если вы хотите видеть полные оригинальные номера запчастей, вам необходимо зарегистрироваться на нашем сайте и приобрести подписку по интересующей вас конфигурации, после этого вы сможете встроить онлайн-каталоги на ваш сайт или пользоваться ими из личного кабинета нашего сайта. Обращаем ваше внимание на то, что каталоги содержат информацию об оригинальных заводских номерах и названиях запчастей. База по аналогам в данный момент не реализована. Поиска по VIN-номерам в онлайн-каталоге не предусмотрено. Выбор конкретного каталога осуществляется путем открытия нужного типа техники, марки, модели с учетом года выпуска или модификации.