Каталог запасных частей к технике: Mercedes Benz SLK 350 Sport Automatic (2012). Двигатель/ Система охлаждения 5

1
2
4
5
6
7
8
3
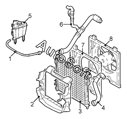
Позиция на иллюстрации | Заводской номер детали | Название детали | |
---|---|---|---|
1 | 1***5 | Труба воздухозаборника верхн. | |
2 | 1***0 | Воздуховод радиатора | |
3 | 2***3 | Радиатор | |
4 | 1***2 | Шланг радиатора лев. верхн. | |
5 | 1***9 | Бачок расширительный | |
6 | 1***2 | Шланг радиатора прав. нижн. | |
7 | 2***5 | Кожух вентилятора | |
8 | 2***3 | Вентилятор в сборе |
Содержащиеся в справочниках-каталогах запасные части и детали не предлагаются к продаже, а носят исключительно информационный характер. В демо-версии артикулы (номера деталей) скрыты. Если вы хотите видеть полные оригинальные номера запчастей, вам необходимо зарегистрироваться на нашем сайте и приобрести подписку по интересующей вас конфигурации, после этого вы сможете встроить онлайн-каталоги на ваш сайт или пользоваться ими из личного кабинета нашего сайта. Обращаем ваше внимание на то, что каталоги содержат информацию об оригинальных заводских номерах и названиях запчастей. База по аналогам в данный момент не реализована. Поиска по VIN-номерам в онлайн-каталоге не предусмотрено. Выбор конкретного каталога осуществляется путем открытия нужного типа техники, марки, модели с учетом года выпуска или модификации.