Каталог запасных частей к технике: Toyota Celica (2012). Система охлаждения

1
2
3
4
4
5
6
6
7
8
9
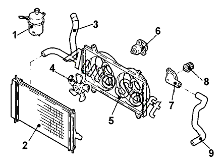
Позиция на иллюстрации | Заводской номер детали | Название детали | |
---|---|---|---|
1 | 1***0 | Бачок расширительный | |
2 | 1***0 | Радиатор | |
3 | 1***0 | Шланг радиатора верхн. | |
4 | 1***0 | Крыльчатка вентилятора лев. | |
4 | 1***0 | Крыльчатка вентилятора прав. | |
5 | 1***0 | Кожух вентилятора | |
6 | 1***0 | Двигатель вентилятора лев. | |
6 | 1***0 | Двигатель вентилятора прав. | |
7 | 1***0 | Крышка корпуса термостата | |
8 | 9***4 | Термостат | |
9 | 1***0 | Шланг радиатора нижн. |
Содержащиеся в справочниках-каталогах запасные части и детали не предлагаются к продаже, а носят исключительно информационный характер. В демо-версии артикулы (номера деталей) скрыты. Если вы хотите видеть полные оригинальные номера запчастей, вам необходимо зарегистрироваться на нашем сайте и приобрести подписку по интересующей вас конфигурации, после этого вы сможете встроить онлайн-каталоги на ваш сайт или пользоваться ими из личного кабинета нашего сайта. Обращаем ваше внимание на то, что каталоги содержат информацию об оригинальных заводских номерах и названиях запчастей. База по аналогам в данный момент не реализована. Поиска по VIN-номерам в онлайн-каталоге не предусмотрено. Выбор конкретного каталога осуществляется путем открытия нужного типа техники, марки, модели с учетом года выпуска или модификации.