Каталог запасных частей к технике: Peugeot 306 Atoll (2014). Система выпуска газа/Топливная система 2

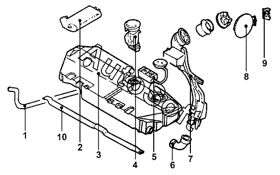
1
2
3
4
5
6
7
8
9
10
Позиция на иллюстрации | Заводской номер детали | Название детали | |
---|---|---|---|
1 | 1***0 | Усилитель крепления топливного бака боков. | |
2 | 1***6 | Фильтр угольный | |
3 | 1***9 | Бак топливный | |
4 | 1***9 | Датчик указателя уровня топлива | |
5 | 1***6 | Насос топливный | |
6 | 1***C | Шланг наливной | |
7 | 1***1 | Горловина наливная | |
8 | 1***5 | Крышка люка наливной горловины топливного бака | |
9 | 1***6 | Петля крышки люка наливной горловины топливн. бака | |
10 | 1***1 | Усилитель крепления топливного бака средн. |
Содержащиеся в справочниках-каталогах запасные части и детали не предлагаются к продаже, а носят исключительно информационный характер. В демо-версии артикулы (номера деталей) скрыты. Если вы хотите видеть полные оригинальные номера запчастей, вам необходимо зарегистрироваться на нашем сайте и приобрести подписку по интересующей вас конфигурации, после этого вы сможете встроить онлайн-каталоги на ваш сайт или пользоваться ими из личного кабинета нашего сайта. Обращаем ваше внимание на то, что каталоги содержат информацию об оригинальных заводских номерах и названиях запчастей. База по аналогам в данный момент не реализована. Поиска по VIN-номерам в онлайн-каталоге не предусмотрено. Выбор конкретного каталога осуществляется путем открытия нужного типа техники, марки, модели с учетом года выпуска или модификации.