Каталог запасных частей к технике: Peugeot 405 MI 16 (2014). Ходовая часть 4

19
9
9
12
12
13
13
15
15
19
8
20
21
10
10
17
4
4
5
23
3
5
11
11
14
14
16
18
22
1
24
25
2
2
6
6
7
7
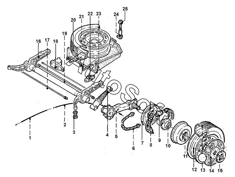
Позиция на иллюстрации | Заводской номер детали | Название детали | |
---|---|---|---|
1 | 4***1 | Трос привода ручного тормоза передн. | |
2 | 4***5 | Трос привода ручного тормоза лев. | |
2 | 4***6 | Трос привода ручного тормоза прав. | |
3 | 5***7 | Подушка задн. моста передн. | |
4 | 5***7 | Амортизатор задн. прав. | |
4 | 5***7 | Амортизатор задн. лев. | |
5 | 5***5 | Балансир задн. прав. | |
5 | 5***9 | Балансир задн. лев. | |
6 | 4***8 | Шланг тормозной задн. прав. | |
6 | 4***8 | Шланг тормозной задн. лев. | |
7 | 4***8 | Щит тормоза лев. | |
7 | 4***8 | Щит тормоза прав. | |
8 | 4***6 | К-кт задн. тормозных колодок | |
9 | 4***2 | Цилиндр тормозной задн. прав. | |
9 | 4***2 | Цилиндр тормозной задн. лев. | |
10 | 3***4 | Фланец подшипника ступицы задн. прав. колеса | |
10 | 3***4 | Фланец подшипника ступицы задн. лев. колеса | |
11 | 4***4 | Барабан тормозной задн. прав. | |
11 | 4***4 | Барабан тормозной задн. лев. | |
12 | 5***3 | Диск задн. прав. колеса из легк. металла | |
12 | 5***3 | Диск задн. лев. колеса из легк. металла | |
13 | 1***V | Шина задн.прав. | |
13 | 1***V | Шина задн. лев. | |
14 | 5***4 | Колпак декоративный задн. прав. колеса | |
14 | 5***4 | Колпак декоративный задн. лев. колеса | |
15 | 5***7 | Колпак ступицы задн. прав. колеса | |
15 | 5***7 | Колпак ступицы задн. лев. колеса | |
16 | 5***1 | Балка задн. моста | |
17 | 5***5 | Торсион задн. | |
18 | 4***7 | Регулятор давления тормозов | |
19 | 5***3 | Торсион сплошной задн. лев. | |
19 | 5***4 | Торсион сплошной задн. прав. | |
20 | 1***V | Шина запасного колеса | |
21 | 5***3 | Диск запасного колеса из легк. металла | |
22 | 5***4 | Подушка задн. моста задн. | |
23 | 7***4 | Короб опорный запасного колеса | |
24 | 7***1 | Пластина крепления запасного колеса | |
25 | 7***7 | Винт крепления запасного колеса |
Содержащиеся в справочниках-каталогах запасные части и детали не предлагаются к продаже, а носят исключительно информационный характер. В демо-версии артикулы (номера деталей) скрыты. Если вы хотите видеть полные оригинальные номера запчастей, вам необходимо зарегистрироваться на нашем сайте и приобрести подписку по интересующей вас конфигурации, после этого вы сможете встроить онлайн-каталоги на ваш сайт или пользоваться ими из личного кабинета нашего сайта. Обращаем ваше внимание на то, что каталоги содержат информацию об оригинальных заводских номерах и названиях запчастей. База по аналогам в данный момент не реализована. Поиска по VIN-номерам в онлайн-каталоге не предусмотрено. Выбор конкретного каталога осуществляется путем открытия нужного типа техники, марки, модели с учетом года выпуска или модификации.