Каталог запасных частей к технике: Peugeot 406 Coupe 2.2 16V Platinum (2014). Система охлаждения

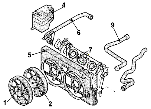
1
1
2
2
4
5
6
7
7
9
Позиция на иллюстрации | Заводской номер детали | Название детали | |
---|---|---|---|
1 | 1***3 | Крыльчатка вентилятора прав. | |
1 | 1***3 | Крыльчатка вентилятора | |
2 | 1***6 | Электровентилятор прав. | |
2 | 1***6 | Электровентилятор лев. | |
4 | 1***Z | Бачок расширительный | |
5 | 1***2 | Кожух радиатора | |
6 | 1***K | Шланг радиатора нижн. | |
7 | 1***4 | Радиатор | |
7 | 1***E | Радиатор восстановл. | |
9 | 1***K | Шланг радиатора верхн. |
Содержащиеся в справочниках-каталогах запасные части и детали не предлагаются к продаже, а носят исключительно информационный характер. В демо-версии артикулы (номера деталей) скрыты. Если вы хотите видеть полные оригинальные номера запчастей, вам необходимо зарегистрироваться на нашем сайте и приобрести подписку по интересующей вас конфигурации, после этого вы сможете встроить онлайн-каталоги на ваш сайт или пользоваться ими из личного кабинета нашего сайта. Обращаем ваше внимание на то, что каталоги содержат информацию об оригинальных заводских номерах и названиях запчастей. База по аналогам в данный момент не реализована. Поиска по VIN-номерам в онлайн-каталоге не предусмотрено. Выбор конкретного каталога осуществляется путем открытия нужного типа техники, марки, модели с учетом года выпуска или модификации.