Каталог запасных частей к технике: Peugeot 605 SVDT (2014). Ходовая часть 2

28
21
22
22
23
23
24
24
25
25
26
26
27
27
28
21
29
29
30
30
31
31
32
33
34
35
35
37
36
36
12
3
4
5
6
7
8
8
9
9
10
10
11
11
12
2
13
13
14
14
15
15
16
16
17
18
19
20
20
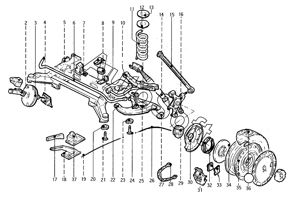
Позиция на иллюстрации | Заводской номер детали | Название детали | |
---|---|---|---|
2 | 4***4 | Цилиндр тормозной главный | |
3 | 4***6 | Усилитель тормоза | |
4 | 4***7 | Кронштейн гидронасоса | |
5 | 5***3 | Балка задн. моста | |
6 | 5***9 | Стабилизатор задн. | |
7 | 4***1 | Регулятор давления тормозов | |
8 | 5***9 | Подушка штанги задн. стабилизатора прав. | |
8 | 5***9 | Подушка штанги задн. стабилизатора лев. | |
9 | 5***2 | Скоба крепления задн. стабилизатора прав. | |
9 | 5***2 | Скоба крепления задн. стабилизатора лев. | |
10 | 5***2 | Рычаг поперечный задн. моста лев. верхн. | |
10 | 5***3 | Рычаг поперечный задн. моста прав. верхн. | |
11 | 5***8 | Пружина витая задн. прав. | |
11 | 5***8 | Пружина витая задн. лев. | |
12 | 5***6 | Упор пружины/рессоры задн. прав. | |
12 | 5***6 | Упор пружины/рессоры задн. лев. | |
13 | 5***2 | Тарелка пружины задн. прав. | |
13 | 5***2 | Тарелка пружины задн. лев. | |
14 | 5***8 | Амортизатор задн. лев. | |
14 | 5***9 | Амортизатор задн. прав. | |
15 | 3***1 | Тяга поперечная задн. прав. | |
15 | 3***1 | Тяга поперечная задн. лев. | |
16 | 3***6 | Кулак поворотный задн. лев. | |
16 | 3***7 | Кулак поворотный задн. прав. | |
17 | 4***1 | Рукоятка рычага ручного тормоза | |
18 | 4***7 | Рычаг ручного тормоза | |
19 | 4***2 | Трос привода ручного тормоза передн. | |
20 | 5***2 | Подушка передн. прав., задн. часть | |
20 | 5***2 | Подушка передн. лев., задн. часть | |
21 | 5***8 | Болт передн. прав. подшипника | |
21 | 5***8 | Болт передн. лев. подшипника | |
22 | 5***6 | Рычаг поперечный задн. моста лев. нижн. | |
22 | 5***7 | Рычаг поперечный задн. моста прав. нижн. | |
23 | 5***2 | Подушка задн. прав., задн. часть | |
23 | 5***2 | Подушка задн. лев., задн. часть | |
24 | 5***8 | Болт задн. прав. подшипника | |
24 | 5***8 | Болт задн. лев. подшипника | |
25 | 5***3 | Штанги задн. стабилизатора лев. | |
25 | 5***4 | Штанги задн. стабилизатора прав. | |
26 | 4***0 | Трос привода ручного тормоза лев. | |
26 | 4***1 | Трос привода ручного тормоза прав. | |
27 | 3***7 | Подушка задн. прав. | |
27 | 3***7 | Подушка задн. лев. | |
28 | 4***5 | Шланг тормозной задн. прав. | |
28 | 4***5 | Шланг тормозной задн. лев. | |
29 | 3***4 | Фланец подшипника ступицы задн. прав. колеса | |
29 | 3***4 | Фланец подшипника ступицы задн. лев. колеса | |
30 | 4***1 | Кожух защитный диска тормоза лев. | |
30 | 4***1 | Кожух защитный диска тормоза прав. | |
31 | 4***5 | Суппорт задн. тормоза лев. | |
31 | 4***6 | Суппорт задн. тормоза прав. | |
32 | 4***9 | К-кт задн. тормозных колодок | |
33 | 4***3 | К-кт задн. тормозных колодок | |
34 | 4***9 | К-кт тормозных дисков задн. | |
35 | 5***3 | Диск задн. прав. колеса | |
35 | 5***3 | Диск задн. лев. колеса | |
36 | 2***H | Шина задн.прав. | |
36 | 2***H | Шина задн. лев. | |
37 | 4***3 | Облицовка рычага ручного тормоза |
Содержащиеся в справочниках-каталогах запасные части и детали не предлагаются к продаже, а носят исключительно информационный характер. В демо-версии артикулы (номера деталей) скрыты. Если вы хотите видеть полные оригинальные номера запчастей, вам необходимо зарегистрироваться на нашем сайте и приобрести подписку по интересующей вас конфигурации, после этого вы сможете встроить онлайн-каталоги на ваш сайт или пользоваться ими из личного кабинета нашего сайта. Обращаем ваше внимание на то, что каталоги содержат информацию об оригинальных заводских номерах и названиях запчастей. База по аналогам в данный момент не реализована. Поиска по VIN-номерам в онлайн-каталоге не предусмотрено. Выбор конкретного каталога осуществляется путем открытия нужного типа техники, марки, модели с учетом года выпуска или модификации.