Каталог запасных частей к технике: Mazda 626 2.5i V6 (2012). Ходовая часть 5

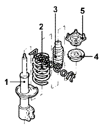
1
1
3
3
4
4
5
5
2
2
Позиция на иллюстрации | Заводской номер детали | Название детали | |
---|---|---|---|
1 | G***A | Стойка передн. амортизатора прав. | |
1 | G***A | Стойка амортизатора лев. | |
2 | G***1 | Пружина передн. прав. | |
2 | G***1 | Пружина передн. лев. | |
3 | G***5 | Манжета прав. стойки амортизатора | |
3 | G***5 | Манжета лев. стойки амортизатора | |
4 | G***0 | Тарелка пружины прав. | |
4 | G***0 | Тарелка пружины лев. | |
5 | G***0 | Опора прав. | |
5 | G***0 | Опора лев. |
Содержащиеся в справочниках-каталогах запасные части и детали не предлагаются к продаже, а носят исключительно информационный характер. В демо-версии артикулы (номера деталей) скрыты. Если вы хотите видеть полные оригинальные номера запчастей, вам необходимо зарегистрироваться на нашем сайте и приобрести подписку по интересующей вас конфигурации, после этого вы сможете встроить онлайн-каталоги на ваш сайт или пользоваться ими из личного кабинета нашего сайта. Обращаем ваше внимание на то, что каталоги содержат информацию об оригинальных заводских номерах и названиях запчастей. База по аналогам в данный момент не реализована. Поиска по VIN-номерам в онлайн-каталоге не предусмотрено. Выбор конкретного каталога осуществляется путем открытия нужного типа техники, марки, модели с учетом года выпуска или модификации.