Каталог запасных частей к технике: Mazda 626 Pro (2012). Ходовая часть 8

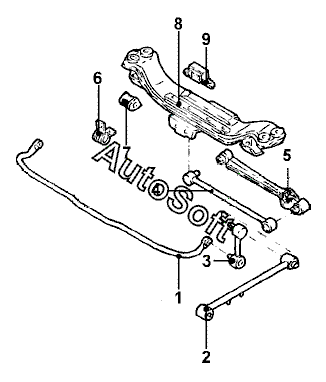
1
2
2
3
3
4
4
5
5
6
6
7
7
8
9
Позиция на иллюстрации | Заводской номер детали | Название детали | |
---|---|---|---|
1 | G***1 | Стабилизатор задн. | |
2 | G***A | Рычаг продольный прав. | |
2 | G***A | Рычаг продольный лев. | |
3 | G***B | Опора стабилизатора прав. | |
3 | G***B | Опора задн. стабилизатора лев. | |
4 | G***0 | Рычаг поперечный задн. прав. передн. | |
4 | G***X | Рычаг поперечный передн. лев. | |
5 | G***0 | Рычаг поперечный задн. моста задн. прав. | |
5 | G***X | Рычаг поперечный задн. моста задн. лев. | |
6 | G***A | Скоба крепления задн. стабилизатора прав. | |
6 | G***A | Скоба крепления задн. стабилизатора лев. | |
7 | G***A | Опора задн. стабилизатора прав. | |
7 | G***A | Опора задн. стабилизатора лев. | |
8 | G***D | Балка задн. моста | |
9 | G***0 | Опора балки задн. моста |
Содержащиеся в справочниках-каталогах запасные части и детали не предлагаются к продаже, а носят исключительно информационный характер. В демо-версии артикулы (номера деталей) скрыты. Если вы хотите видеть полные оригинальные номера запчастей, вам необходимо зарегистрироваться на нашем сайте и приобрести подписку по интересующей вас конфигурации, после этого вы сможете встроить онлайн-каталоги на ваш сайт или пользоваться ими из личного кабинета нашего сайта. Обращаем ваше внимание на то, что каталоги содержат информацию об оригинальных заводских номерах и названиях запчастей. База по аналогам в данный момент не реализована. Поиска по VIN-номерам в онлайн-каталоге не предусмотрено. Выбор конкретного каталога осуществляется путем открытия нужного типа техники, марки, модели с учетом года выпуска или модификации.