Каталог запасных частей к технике: Mazda Xedos 9 2.0i V6 (2012). Кузов 6

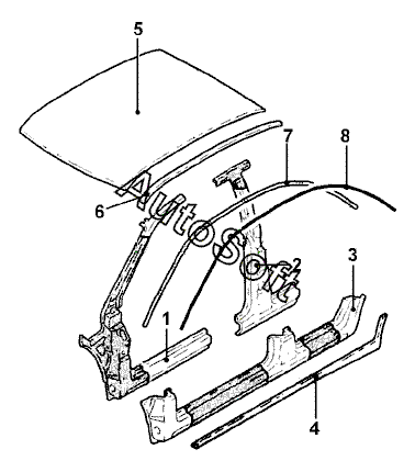
1
1
2
2
3
3
4
4
5
6
6
7
7
8
8
Позиция на иллюстрации | Заводской номер детали | Название детали | |
---|---|---|---|
1 | T***B | Стойка передн. прав. наружн. часть | |
1 | T***B | Стойка передн. лев. наружн. часть | |
2 | T***C | Стойка средн. прав. наружн. часть | |
2 | T***C | Стойка средн. лев., наружн. часть | |
3 | T***C | Порог прав. двери | |
3 | T***C | Порог лев. двери | |
4 | T***7 | Накладка прав. порога | |
4 | T***7 | Накладка лев. порога | |
5 | T***B | Крыша | |
6 | T***7 | Накладка крыши прав. | |
6 | T***7 | Накладка крыши лев. | |
7 | T***C | Желоб водосточный прав. | |
7 | T***C | Желоб водосточный лев. | |
8 | T***B | Уплотнитель крыши прав. | |
8 | T***B | Уплотнитель крыши лев. |
Содержащиеся в справочниках-каталогах запасные части и детали не предлагаются к продаже, а носят исключительно информационный характер. В демо-версии артикулы (номера деталей) скрыты. Если вы хотите видеть полные оригинальные номера запчастей, вам необходимо зарегистрироваться на нашем сайте и приобрести подписку по интересующей вас конфигурации, после этого вы сможете встроить онлайн-каталоги на ваш сайт или пользоваться ими из личного кабинета нашего сайта. Обращаем ваше внимание на то, что каталоги содержат информацию об оригинальных заводских номерах и названиях запчастей. База по аналогам в данный момент не реализована. Поиска по VIN-номерам в онлайн-каталоге не предусмотрено. Выбор конкретного каталога осуществляется путем открытия нужного типа техники, марки, модели с учетом года выпуска или модификации.