Каталог запасных частей к технике: Mazda E 2000 (2012). Ходовая часть 4

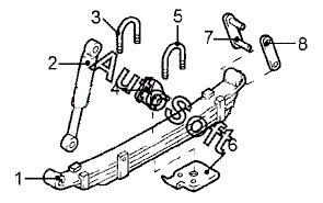
1
1
2
2
3
3
4
4
5
5
6
6
7
7
8
8
Позиция на иллюстрации | Заводской номер детали | Название детали | |
---|---|---|---|
1 | S***C | Пружина задн. прав. | |
1 | S***C | Пружина задн. лев. | |
2 | S***0 | Амортизатор задн. прав. | |
2 | S***0 | Амортизатор задн. лев. | |
3 | S***1 | Скоба крепления задн. прав. рессоры передн. | |
3 | S***1 | Скоба задн. рессоры передн. лев. | |
4 | S***0 | Буфер задн. прав. | |
4 | S***0 | Буфер задн. лев. | |
5 | S***1 | Скоба крепления задн. прав. задн. | |
5 | S***1 | Скоба крепления задн. лев. рессоры задн. | |
6 | S***0 | Опора задн. амортизатора прав. | |
6 | S***0 | Опора задн. амортизатора лев. | |
7 | S***0 | Серьга рессоры задн. прав. | |
7 | S***0 | Серьга рессоры задн. лев. | |
8 | S***3 | Площадка рессоры задн. прав. | |
8 | S***3 | Площадка рессоры задн. лев. |
Содержащиеся в справочниках-каталогах запасные части и детали не предлагаются к продаже, а носят исключительно информационный характер. В демо-версии артикулы (номера деталей) скрыты. Если вы хотите видеть полные оригинальные номера запчастей, вам необходимо зарегистрироваться на нашем сайте и приобрести подписку по интересующей вас конфигурации, после этого вы сможете встроить онлайн-каталоги на ваш сайт или пользоваться ими из личного кабинета нашего сайта. Обращаем ваше внимание на то, что каталоги содержат информацию об оригинальных заводских номерах и названиях запчастей. База по аналогам в данный момент не реализована. Поиска по VIN-номерам в онлайн-каталоге не предусмотрено. Выбор конкретного каталога осуществляется путем открытия нужного типа техники, марки, модели с учетом года выпуска или модификации.