Каталог запасных частей к технике: Mazda E 2000 (2012). Рама/Элементы жесткости кузова 2

33
39
37
37
36
36
35
34
34
33
39
31
30
29
27
26
26
25
24
24
45
50
50
49
49
48
47
47
46
46
23
45
44
44
43
43
41
41
40
8
13
12
12
11
11
10
10
9
9
13
7
7
6
6
5
5
4
3
2
18
23
22
22
21
21
20
20
19
18
1
17
17
16
16
15
15
14
14
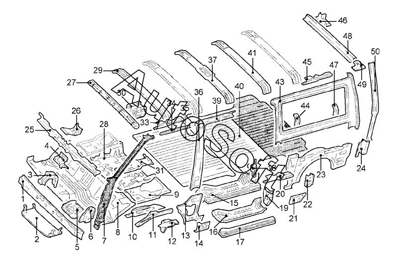
Позиция на иллюстрации | Заводской номер детали | Название детали | |
---|---|---|---|
1 | S***G | Поперечина основания передн. | |
2 | S***0 | Пластина основания передн. | |
3 | S***A | Распорка крепления бампера средн. | |
4 | S***0 | Балка задн. бампера | |
5 | S***A | Пластина прав.фары | |
5 | S***B | Пластина лев. фары | |
6 | S***D | Усилитель шарнира передн. прав. | |
6 | S***D | Усилитель шарнира передн. лев. | |
7 | S***J | Стойка передн. прав. внутр. часть | |
7 | S***K | Стойка передн. лев. внутр. часть | |
8 | S***A | Основание передн. | |
9 | S***G | Основание передн. прав. | |
9 | S***G | Основание передн. лев. | |
10 | S***B | Усилитель основания передн. прав. | |
10 | S***A | Усилитель основания передн. лев. | |
11 | S***B | Соединитель средн. стойки | |
11 | S***B | Соединитель средн. стойки | |
12 | S***B | Усилитель основания передн. прав. | |
12 | S***5 | Усилитель основания передн. лев. | |
13 | S***J | Усилитель средн. прав. стойки нижн. | |
13 | S***J | Усилитель средн. лев. стойки нижн. | |
14 | S***B | Усилитель передн. прав. порога | |
14 | S***B | Усилитель передн. лев. порога | |
15 | S***L | Порог задн. лев. в сборе | |
15 | S***F | Порог задн. прав. в сборе | |
16 | S***D | Щиток задн. лев. порога | |
16 | S***A | Щиток задн. прав. порога | |
17 | S***E | Направляющая сдвижной двери | |
17 | S***E | Направляющая сдвижной двери | |
18 | S***D | Усилитель задн. прав. стойки | |
18 | S***E | Усилитель задн. лев. стойки | |
19 | S***C | Пластина порога задн. прав. | |
20 | S***A | Усилитель средн. прав. | |
20 | S***A | Усилитель средн. лев. | |
21 | S***B | Усилитель порога задн. прав. | |
21 | S***B | Усилитель порога задн. лев. | |
22 | S***A | Усилитель средн. прав. стойки внутр. | |
22 | S***6 | Усилитель задн. лев. стойки внутр. | |
23 | S***G | Арка задн. колеса прав. внутр. | |
23 | S***G | Арка задн. колеса лев. внутр. | |
24 | S***B | Усилитель боковины задн. прав. | |
24 | S***B | Усилитель боковины задн. лев. | |
25 | S***B | Поперечина обтекателя | |
26 | S***1 | Усилитель обтекателя передн. прав. | |
26 | S***1 | Усилитель обтекателя передн. лев. | |
27 | S***B | Поперечина крыши передн. | |
29 | S***2 | Дуга крыши 1 | |
30 | S***D | Корпус воздухозаборника | |
31 | S***E | Кронштейн механизма переключения | |
33 | S***2 | Усилитель основания передн. лев. | |
33 | S***2 | Усилитель крыши передн. прав. | |
34 | S***C | Лонжерон крыши передн. лев. внутр. | |
34 | S***A | Лонжерон крыши передн. прав. внутр. | |
35 | S***0 | Основание средн. | |
36 | S***B | Стойка средн. прав. внутр. часть | |
36 | S***B | Стойка средн. лев. внутр. часть | |
37 | S***2 | Дуга крыши 3 | |
37 | S***2 | Дуга крыши 2 | |
39 | S***E | Лонжерон крыши задн. прав. внутр. | |
39 | S***D | Лонжерон крыши задн. лев. внутр. | |
40 | S***G | Основание задн. | |
41 | S***2 | Дуга крыши 5 | |
41 | S***2 | Дуга крыши 4 | |
43 | S***E | Боковина прав. верхн. внутр. часть | |
43 | S***A | Боковина лев. верхн. внутр. часть | |
44 | S***6 | Усилитель боковины прав. | |
44 | S***6 | Усилитель боковины лев. | |
45 | S***C | Усилитель лонжерона прав. верхн. | |
45 | S***C | Усилитель лонжерона лев. верхн. | |
46 | S***2 | Кронштейн петли прав. | |
46 | S***2 | Кронштейн петли лев. | |
47 | S***A | Усилитель боковины прав. | |
47 | S***A | Усилитель боковины лев. | |
48 | S***D | Поперечина крыши задн. | |
49 | S***C | Усилитель боковины угловой прав. | |
49 | S***C | Усилитель боковины угловой лев. | |
50 | S***M | Желоб водосточный задн. прав. | |
50 | S***M | Желоб водосточный задн. лев. |
Содержащиеся в справочниках-каталогах запасные части и детали не предлагаются к продаже, а носят исключительно информационный характер. В демо-версии артикулы (номера деталей) скрыты. Если вы хотите видеть полные оригинальные номера запчастей, вам необходимо зарегистрироваться на нашем сайте и приобрести подписку по интересующей вас конфигурации, после этого вы сможете встроить онлайн-каталоги на ваш сайт или пользоваться ими из личного кабинета нашего сайта. Обращаем ваше внимание на то, что каталоги содержат информацию об оригинальных заводских номерах и названиях запчастей. База по аналогам в данный момент не реализована. Поиска по VIN-номерам в онлайн-каталоге не предусмотрено. Выбор конкретного каталога осуществляется путем открытия нужного типа техники, марки, модели с учетом года выпуска или модификации.