Каталог запасных частей к технике: Saab 9000 2.3 Turbo S CS (2012). Кондиционер 1

1
2
6
7
8
10
12
13
14
4
9
11
3
5
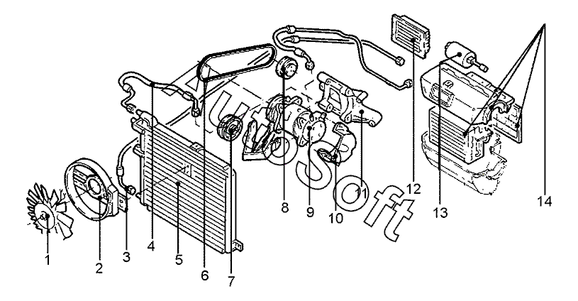
Позиция на иллюстрации | Заводской номер детали | Название детали | |
---|---|---|---|
1 | 7***0 | Крыльчатка вентилятора кондиционера | |
2 | 7***5 | Кожух вентилятора кондиционера | |
3 | 9***8 | Шланг бачка и конденсатора | |
4 | 9***7 | Шланг компрессора и конденсатора | |
5 | 4***2 | Конденсатор | |
6 | 9***3 | Ремень клиновой компрессора | |
7 | 4***4 | Шкив | |
8 | 9***2 | Шкив кондиционера | |
9 | 4***8 | Компрессор | |
10 | 4***6 | Щиток защитный компрессора | |
11 | 4***2 | Кронштейн компрессора | |
12 | 9***6 | Устройство контрольное | |
13 | 4***7 | Бачок омывателя | |
14 | 4***3 | Корпус испарителя |
Содержащиеся в справочниках-каталогах запасные части и детали не предлагаются к продаже, а носят исключительно информационный характер. В демо-версии артикулы (номера деталей) скрыты. Если вы хотите видеть полные оригинальные номера запчастей, вам необходимо зарегистрироваться на нашем сайте и приобрести подписку по интересующей вас конфигурации, после этого вы сможете встроить онлайн-каталоги на ваш сайт или пользоваться ими из личного кабинета нашего сайта. Обращаем ваше внимание на то, что каталоги содержат информацию об оригинальных заводских номерах и названиях запчастей. База по аналогам в данный момент не реализована. Поиска по VIN-номерам в онлайн-каталоге не предусмотрено. Выбор конкретного каталога осуществляется путем открытия нужного типа техники, марки, модели с учетом года выпуска или модификации.