Каталог запасных частей к технике: Fiat Tipo 1600 DGT 6000 (2012). Кондиционер 1

1
2
5
5
6
7
9
11
12
13
14
15
16
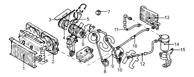
Позиция на иллюстрации | Заводской номер детали | Название детали | |
---|---|---|---|
1 | 0***6 | Конденсатор | |
2 | 0***6 | Вентилятор дополнительный в сборе | |
5 | 0***6 | Кронштейн компрессора передн. | |
5 | 0***6 | Кронштейн комрессора задн. | |
6 | 0***9 | Компрессор | |
7 | 0***3 | Ролик натяжной | |
9 | 0***1 | Шланг компрессора и конденсатора | |
11 | 0***0 | Шланг испарителя | |
12 | 0***0 | Шланг бачка и конденсатора | |
13 | 0***3 | Испаритель | |
14 | 0***2 | Бачок омывателя | |
15 | 0***1 | Кронштейн бачка | |
16 | 0***9 | Шланг испарителя и конденсатора |
Содержащиеся в справочниках-каталогах запасные части и детали не предлагаются к продаже, а носят исключительно информационный характер. В демо-версии артикулы (номера деталей) скрыты. Если вы хотите видеть полные оригинальные номера запчастей, вам необходимо зарегистрироваться на нашем сайте и приобрести подписку по интересующей вас конфигурации, после этого вы сможете встроить онлайн-каталоги на ваш сайт или пользоваться ими из личного кабинета нашего сайта. Обращаем ваше внимание на то, что каталоги содержат информацию об оригинальных заводских номерах и названиях запчастей. База по аналогам в данный момент не реализована. Поиска по VIN-номерам в онлайн-каталоге не предусмотрено. Выбор конкретного каталога осуществляется путем открытия нужного типа техники, марки, модели с учетом года выпуска или модификации.