Меню Закрыть

Демо

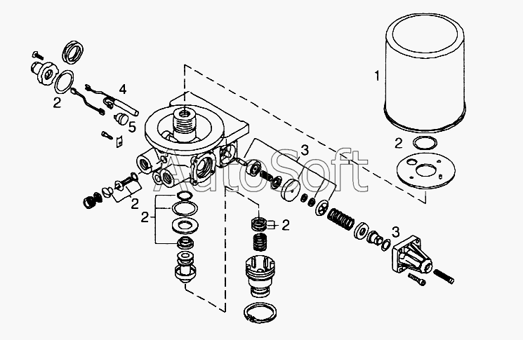
Каталог запасных частей к технике: MAN TGL (2005). Ремкомплект воздухоосушителя WABCO

zoom-in zoom-out enlarge shrink circle-right circle-left file-text2 info cart
1
2
2
2
2
2
3
3
4
5
Позиция на иллюстрации Заводской номер детали Название детали
1 8***8 Патрон воздухоосушителя
2 8***4 Ремкомплект
3 8***2 Ремкомплект регулятора давления без асбеста
4 8***7 Нагреватель
5 8***4 Переключатель
Содержащиеся в справочниках-каталогах запасные части и детали не предлагаются к продаже, а носят исключительно информационный характер. В демо-версии артикулы (номера деталей) скрыты. Если вы хотите видеть полные оригинальные номера запчастей, вам необходимо зарегистрироваться на нашем сайте и приобрести подписку по интересующей вас конфигурации, после этого вы сможете встроить онлайн-каталоги на ваш сайт или пользоваться ими из личного кабинета нашего сайта. Обращаем ваше внимание на то, что каталоги содержат информацию об оригинальных заводских номерах и названиях запчастей. База по аналогам в данный момент не реализована. Поиска по VIN-номерам в онлайн-каталоге не предусмотрено. Выбор конкретного каталога осуществляется путем открытия нужного типа техники, марки, модели с учетом года выпуска или модификации.