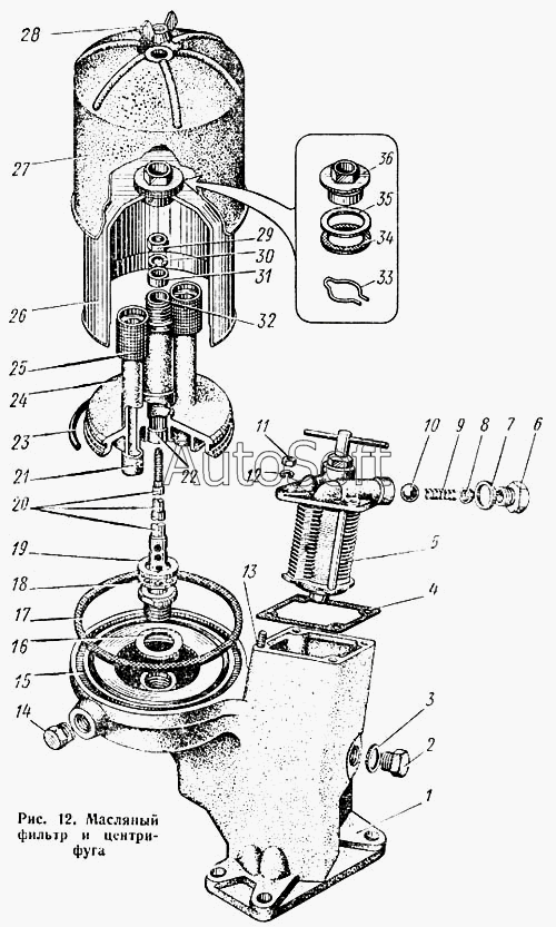
Каталог запасных частей к технике: КАЗ 608. Масляный фильтр и центрифуга
28
20
21
22
23
24
25
26
27
19
29
30
31
32
33
34
35
36
10
2
3
4
5
6
7
8
9
1
11
12
13
14
15
16
17
18
| Позиция на иллюстрации | Заводской номер детали | Название детали | |
|---|---|---|---|
| 1 | 1***6 | Корпус масляного фильтра в сборе | |
| 2 | 3***П | Пробка корпуса масляного фильтра | |
| 3 | 3***П | Прокладка пробки | |
| 4 | 1***9 | Прокладка крышки фильтрующего элемента | |
| 5 | 1***5 | Элемент масляного фильтра грубой очистки фильтрующий в сборе | |
| 6 | 1***1 | Штуцер перепускного клапана | |
| 7 | 3***П | Прокладка пробок клапанов | |
| 8 | 1***3 | Стакан штуцера перепускного клапана | |
| 9 | 1***Б | Пружина перепускного клапана | |
| 10 | 3***П | Шарик перепускного клапана | |
| 11 | 2***8 | Гайка клина | |
| 12 | 2***2 | Шайба пружинная | |
| 13 | 3***8 | Шпилька крепления фильтрующего элемента | |
| 14 | 2***8 | Пробка корпуса масляного фильтра | |
| 15 | 1***5 | Щиток корпуса отражательный | |
| 16 | 3***8 | Шайба оси центрифуги | |
| 17 | 1***7 | Прокладка кожуха центрифуги | |
| 18 | 1***7 | Подшипник центрифуги упорный | |
| 19 | 1***7 | Кольцо подшипника упорное | |
| 20 | 1***7 | Ось центрифуги | |
| 21 | 1***3 | Жиклер центрифуги | |
| 22 | 1***Б | Втулка центрифуги нижняя | |
| 23 | 1***9 | Кольцо крышки уплотнительное | |
| 24 | 1***6 | Корпус центрифуги с втулками в сборе | |
| 25 | 1***2 | Фильтр центрифуги в сборе | |
| 26 | 1***5 | Крышка корпуса центрифуги | |
| 27 | 1***2 | Кожух центрифуги в сборе | |
| 28 | 2***8 | Гайка-барашек | |
| 29 | 2***8 | Гайка | |
| 30 | 2***2 | Шайба пружинная | |
| 31 | 1***3 | Шайба оси упорная | |
| 32 | 1***5 | Втулка центрифуги верхняя | |
| 33 | 3***П | Кольцо стопорное | |
| 34 | 1***1 | Прокладка гайки | |
| 35 | 1***5 | Шайба гайки | |
| 36 | 1***8 | Гайка центрифуги |
Содержащиеся в справочниках-каталогах запасные части и детали не предлагаются к продаже, а носят исключительно информационный характер. В демо-версии артикулы (номера деталей) скрыты. Если вы хотите видеть полные оригинальные номера запчастей, вам необходимо зарегистрироваться на нашем сайте и приобрести подписку по интересующей вас конфигурации, после этого вы сможете встроить онлайн-каталоги на ваш сайт или пользоваться ими из личного кабинета нашего сайта. Обращаем ваше внимание на то, что каталоги содержат информацию об оригинальных заводских номерах и названиях запчастей. База по аналогам в данный момент не реализована. Поиска по VIN-номерам в онлайн-каталоге не предусмотрено. Выбор конкретного каталога осуществляется путем открытия нужного типа техники, марки, модели с учетом года выпуска или модификации.