Каталог запасных частей к технике: БелАЗ 7540 (А, В, Е, С, D, К) (2015). Бак топливный и масляный (7540-1101010);Fuel and oil tanks
36
25
26
27
28
29
30
31
32
33
34
35
24
37
38
39
40
41
42
43
44
45
46
13
2
3
4
5
6
6
7
8
9
10
11
12
1
14
15
16
17
18
19
20
21
22
23
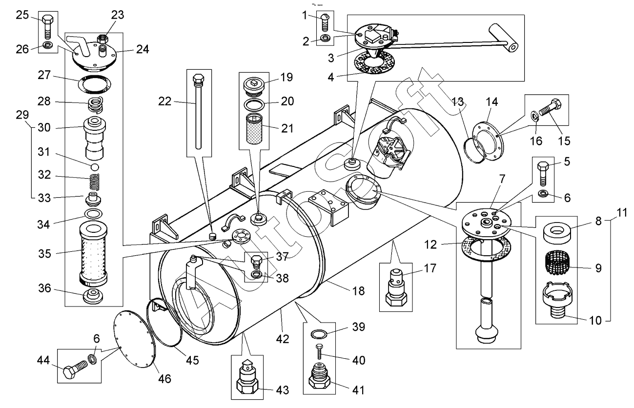
| Позиция на иллюстрации | Заводской номер детали | Название детали | |
|---|---|---|---|
| 1 | 2***7 | Винт | |
| 2 | 2***3 | Шайба | |
| 3 | 5***7 | Датчик уровня топлива | |
| 4 | 2***6 | Прокладка | |
| 5 | 2***7 | Болт | |
| 6 | 2***5 | Шайба | |
| 7 | 7***0 | Труба всасывающая | |
| 8 | 5***0 | Крышка сапуна | |
| 9 | Д***4 | Элемент фильтрующий | |
| 10 | 5***2 | Корпус сапуна | |
| 11 | 5***1 | Сапун в сборе | |
| 12 | У***3 | Кольцо | |
| 13 | 2***3 | Кольцо | |
| 14 | 7***7 | Крышка | |
| 15 | 2***5 | Болт | |
| 16 | 2***6 | Шайба | |
| 17 | 5***4 | Пробка сливного крана | |
| 18 | 7***2 | Корпус бака | |
| 19 | 5***8 | Пробка | |
| 20 | 5***1 | Прокладка | |
| 21 | 5***7 | Каркас с сеткой в сборе | |
| 22 | 7***4 | Указатель уровня масла | |
| 23 | 3***0 | Гайка | |
| 24 | 7***0 | Крышка фильтра | |
| 25 | 2***8 | Болт | |
| 26 | 2***7 | Шайба | |
| 27 | 1***3 | Кольцо | |
| 28 | 5***2 | Пружина | |
| 29 | 7***0 | Клапан | |
| 30 | 7***4 | Корпус клапана | |
| 31 | 2***0 | Шарик | |
| 32 | 7***2 | Пружина | |
| 33 | 7***2 | Упор | |
| 34 | 0***3 | Кольцо | |
| 35 | Р***М | Элемент фильтрующий | |
| 36 | 5***7 | Уплотнитель | |
| 37 | 3***1 | Пробка | |
| 38 | 5***4 | Прокладка | |
| 39 | 0***3 | Кольцо | |
| 40 | П***2 | Пробка сливная магнитная | |
| 41 | 7***0 | Корпус магнитной пробки | |
| 42 | 7***0 | Корпус масляного бака | |
| 43 | 7***8 | Клапан | |
| 44 | 2***6 | Болт | |
| 45 | 3***3 | Кольцо | |
| 46 | 7***8 | Крышка | |
| 47 | 7***0 | Пробка магнитная М42х2 |
Содержащиеся в справочниках-каталогах запасные части и детали не предлагаются к продаже, а носят исключительно информационный характер. В демо-версии артикулы (номера деталей) скрыты. Если вы хотите видеть полные оригинальные номера запчастей, вам необходимо зарегистрироваться на нашем сайте и приобрести подписку по интересующей вас конфигурации, после этого вы сможете встроить онлайн-каталоги на ваш сайт или пользоваться ими из личного кабинета нашего сайта. Обращаем ваше внимание на то, что каталоги содержат информацию об оригинальных заводских номерах и названиях запчастей. База по аналогам в данный момент не реализована. Поиска по VIN-номерам в онлайн-каталоге не предусмотрено. Выбор конкретного каталога осуществляется путем открытия нужного типа техники, марки, модели с учетом года выпуска или модификации.