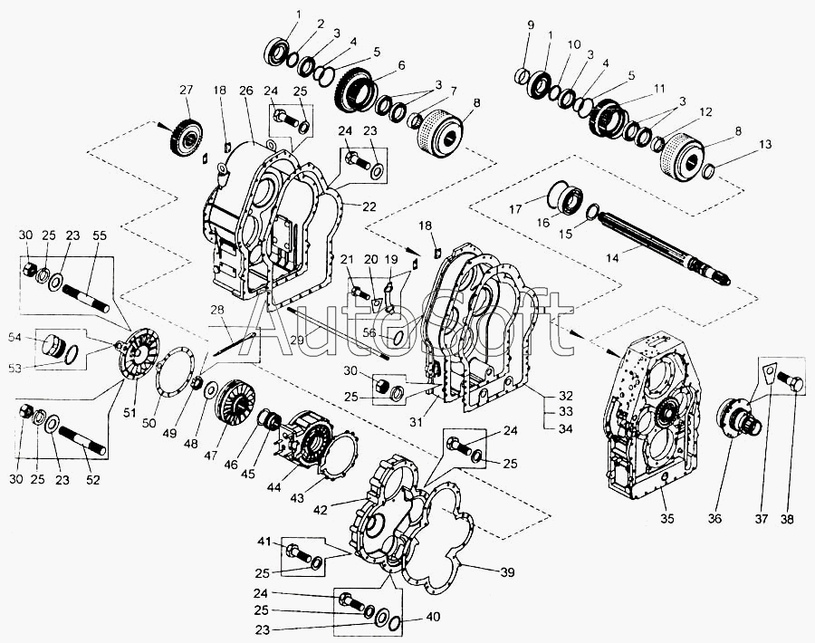
Каталог запасных частей к технике: БелАЗ 7555A. Коробка передач. Картер, установка первичного вала и тормоза замедлителя
43
30
30
30
31
32
33
34
35
36
37
38
39
40
41
42
29
44
45
46
47
48
49
50
51
52
53
54
55
56
15
2
3
3
3
3
4
4
5
5
6
7
8
8
9
10
11
12
13
14
1
1
16
17
18
18
19
20
21
22
23
23
23
24
24
24
24
25
25
25
25
25
25
25
26
27
23
23
| Позиция на иллюстрации | Заводской номер детали | Название детали | |
|---|---|---|---|
| 1 | 1***М | Подшипник | |
| 2 | 7***4 | Втулка | |
| 3 | 6***Л | Подшипник | |
| 4 | 7***8 | Кольцо распорное | |
| 5 | 5***4 | Кольцо | |
| 6 | 7***0 | Шестерня третьей передачи ведущая | |
| 7 | 7***2 | Втулка подвода смазки | |
| 8 | 7***0 | Фрикцион первой передачи | |
| 9 | 7***6 | Втулка | |
| 10 | 7***5 | Кольцо | |
| 11 | 7***0 | Шестерня второй передачи ведущая | |
| 12 | 7***1 | Втулка подвода смазки | |
| 13 | 7***6 | Втулка | |
| 14 | 7***0 | Вал первичный | |
| 15 | 7***8 | Кольцо распорное | |
| 16 | 3***6 | Подшипник | |
| 17 | 5***2 | Кольцо | |
| 18 | 7***8 | Скоба замковая | |
| 19 | 5***0 | Скоба замковая | |
| 20 | 3***5 | Пластина | |
| 21 | 2***5 | Болт | |
| 22 | 7***4 | Прокладка промежуточного картера | |
| 23 | 2***7 | Шайба | |
| 23 | 2***8 | Шплинт | |
| 24 | 2***7 | Болт | |
| 25 | 2***7 | Шайба | |
| 26 | 7***0 | Картер коробки передач | |
| 27 | 7***2 | Шестерня ведущая | |
| 29 | 3***1 | Шпилька | |
| 30 | 2***4 | Гайка | |
| 31 | 7***5 | Картер промежуточный | |
| 32 | 7***7 | Прокладка нижняя | |
| 33 | 7***8 | Прокладка правая | |
| 34 | 7***9 | Прокладка левая | |
| 35 | 7***0 | Картер гидромеханической передачи | |
| 36 | 7***1 | Ступица гидротрансформатора в сборе | |
| 37 | 3***3 | Пластина стопорная | |
| 38 | 2***0 | Болт | |
| 39 | 7***6 | Прокладка крышки шестерни | |
| 40 | 0***2 | Кольцо | |
| 41 | 2***9 | Болт | |
| 42 | 7***0 | Крышка шестерен привода реверсивного вала | |
| 43 | 7***8 | Прокладка корпуса | |
| 44 | 7***0 | Корпус тормоза замедлителя | |
| 45 | 7***6 | Втулка в сборе | |
| 46 | 7***6 | Распорка | |
| 47 | 7***0 | Ротор в сборе | |
| 48 | 7***8 | Шайба | |
| 49 | 3***0 | Гайка | |
| 50 | 7***8 | Прокладка крышки | |
| 51 | 7***2 | Крышка | |
| 52 | 3***6 | Шпилька | |
| 53 | 0***2 | Кольцо | |
| 54 | 7***6 | Заглушка | |
| 55 | 3***2 | Шпилька | |
| 56 | 0***2 | Кольцо |
Содержащиеся в справочниках-каталогах запасные части и детали не предлагаются к продаже, а носят исключительно информационный характер. В демо-версии артикулы (номера деталей) скрыты. Если вы хотите видеть полные оригинальные номера запчастей, вам необходимо зарегистрироваться на нашем сайте и приобрести подписку по интересующей вас конфигурации, после этого вы сможете встроить онлайн-каталоги на ваш сайт или пользоваться ими из личного кабинета нашего сайта. Обращаем ваше внимание на то, что каталоги содержат информацию об оригинальных заводских номерах и названиях запчастей. База по аналогам в данный момент не реализована. Поиска по VIN-номерам в онлайн-каталоге не предусмотрено. Выбор конкретного каталога осуществляется путем открытия нужного типа техники, марки, модели с учетом года выпуска или модификации.