Каталог запасных частей к технике: New Holland Комбайн CR9080 E3 (часть 2) (2014). DRUM, (Prod Date) after 15-JAN-2014
33
33
23
23
24
24
25
25
26
26
27
27
28
28
29
29
30
30
31
31
32
32
22
34
34
35
35
36
36
37
37
38
38
39
39
40
40
41
41
42
42
43
11
11
2
2
3
4
4
5
5
6
6
6
6
7
7
8
8
9
10
1
12
12
12
12
12
12
13
13
14
14
15
15
16
17
17
18
18
19
19
20
21
21
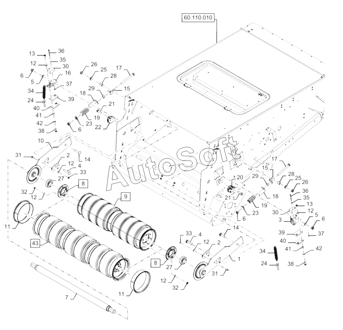
| Позиция на иллюстрации | Заводской номер детали | Название детали | |
|---|---|---|---|
| 1 | 4***3 | Arm | |
| 2 | 8***1 | Plate | |
| 3 | 8***0 | Block | |
| 4 | 1***8 | Carriage bolt | |
| 5 | 1***8 | Belleville washer | |
| 6 | 4***6 | NUT | |
| 7 | 4***4 | Shaft | |
| 7 | 4***9 | Shaft | |
| 8 | 8***2 | Flanged bearing | |
| 9 | 4***6 | Drum | |
| 10 | 4***5 | Arm | |
| 11 | 4***0 | Ring | |
| 12 | 1***5 | Belleville washer | |
| 13 | 1***7 | NUT | |
| 14 | 1***7 | Carriage bolt | |
| 15 | 8***9 | Bracket | |
| 16 | 8***8 | Support assy. | |
| 17 | 8***4 | Bolt | |
| 18 | 8***1 | Indicator | |
| 19 | 8***2 | Spring | |
| 20 | 8***6 | Cam | |
| 21 | 1***0 | Bolt | |
| 22 | 8***7 | Cam | |
| 23 | 3***4 | Washer | |
| 24 | 8***9 | Eyebolt | |
| 25 | 3***1 | Washer | |
| 26 | 8***1 | Nut | |
| 27 | 2***9 | Ball bearing | |
| 28 | 8***2 | Spacer | |
| 29 | 3***3 | Spacer | |
| 30 | 8***0 | Block | |
| 31 | 2***4 | Plow bolt | |
| 32 | 1***6 | Гайка | |
| 33 | 9***3 | NUT | |
| 34 | 8***6 | Spring | |
| 35 | 1***5 | Washer | |
| 36 | 8***0 | Bolt | |
| 37 | 3***8 | NUT | |
| 38 | 1***8 | Bolt | |
| 39 | 8***9 | Block | |
| 40 | 8***5 | Plate | |
| 41 | 3***8 | Spacer | |
| 42 | 3***4 | Washer | |
| 43 | 4***8 | Drum |
Содержащиеся в справочниках-каталогах запасные части и детали не предлагаются к продаже, а носят исключительно информационный характер. В демо-версии артикулы (номера деталей) скрыты. Если вы хотите видеть полные оригинальные номера запчастей, вам необходимо зарегистрироваться на нашем сайте и приобрести подписку по интересующей вас конфигурации, после этого вы сможете встроить онлайн-каталоги на ваш сайт или пользоваться ими из личного кабинета нашего сайта. Обращаем ваше внимание на то, что каталоги содержат информацию об оригинальных заводских номерах и названиях запчастей. База по аналогам в данный момент не реализована. Поиска по VIN-номерам в онлайн-каталоге не предусмотрено. Выбор конкретного каталога осуществляется путем открытия нужного типа техники, марки, модели с учетом года выпуска или модификации.