Каталог запасных частей к технике: Versatile серии 2000 (2008). 07A12 Привод 12 МКПП
31
31
18
19
20
21
21
21
21
22
23
24
25
26
27
28
28
29
30
17
32
32
32
32
32
33
33
33
34
34
34
35
36
37
38
39
40
41
41
41
42
7
1
1
1
1
2
2
2
2
2
3
4
4
4
5
5
5
6
6
6
1
7
7
7
7
7
7
8
9
10
11
11
11
12
12
12
12
13
14
15
16
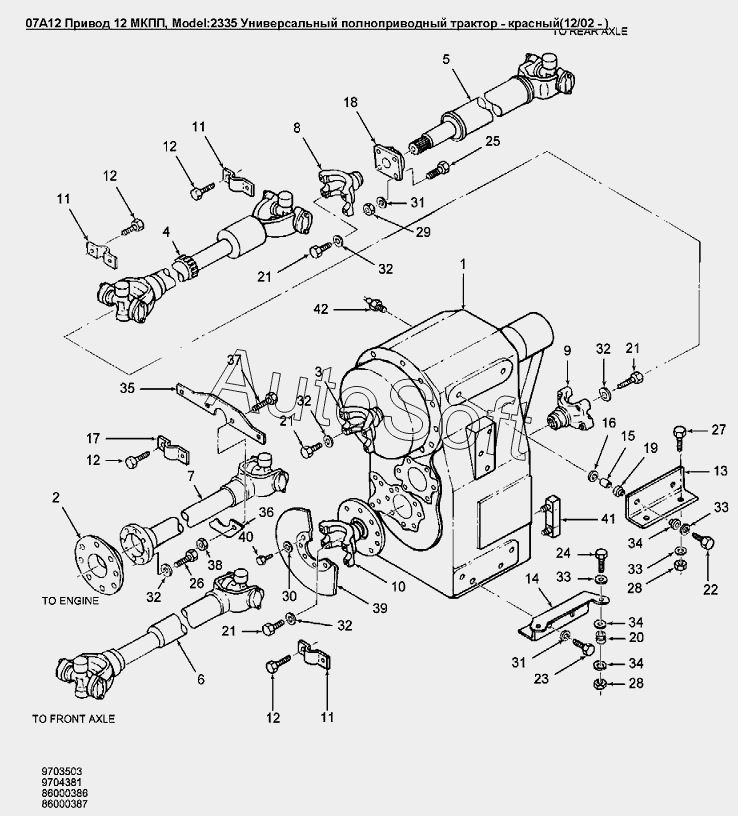
| Позиция на иллюстрации | Заводской номер детали | Название детали | |
|---|---|---|---|
| 1 | 8***2 | МКПП с ВОМ L4WD | |
| 1 | 8***3 | МКПП без ВОМ L4WD | |
| 1 | 8***6 | Коробка передач в сборе SYN TM78 12-ти скоростная | |
| 2 | 8***3 | Фланец DYNAFLEX 600 SER | |
| 2 | 8***4 | Фланец DYNAFLEX 400 SER | |
| 2 | 8***5 | Фланец | |
| 3 | 9***0 | СКОБА | |
| 4 | 8***4 | Карданный вал в сборе, серия 1610 (синий) | |
| 4 | 8***2 | Вал карданный, серия 1610 | |
| 5 | 8***4 | Карданный вал, серия 1610 | |
| 5 | 9***4 | Карданный вал в сборе, серия 1610 неокрашенный | |
| 6 | 8***8 | Вал карданный, серия 1610 | |
| 6 | 9***9 | Карданный вал в сборе, серия 1610 | |
| 7 | 8***6 | Вал карданный в сборе, серия 1610 | |
| 7 | 8***6 | Вал карданный в сборе, длина 637мм, серия 1610 | |
| 7 | 8***7 | Вал карданный, серия 1610 535М | |
| 7 | 9***4 | Карданный вал в сборе 1610 SERIES | |
| 8 | 9***0 | СКОБА | |
| 9 | 9***0 | Вилка рычага серии 1610 | |
| 10 | 8***2 | Вилка карданного вала серии 1610 | |
| 11 | V***9 | Кронштейн карданного вала 1610 | |
| 12 | 8***6 | Болт 0.375NFX0.750 P&O | |
| 13 | 9***1 | Кронштейн КПП L4WD | |
| 14 | 9***1 | Кронштейн | |
| 15 | 9***2 | Кольцо | |
| 16 | 9***4 | Втулка внутр.диам. 25.4мм, длина 43.0, резина | |
| 17 | V***9 | Кронштейн карданного вала 1610 | |
| 18 | 8***3 | Уплотнитель, креп. 4 болтами, внутр. O 55,50 | |
| 19 | 9***1 | Резиновая прокладка крепления трансмиссии | |
| 20 | V***4 | Изолятор | |
| 21 | V***3 | Болт Gr-5, 0.625dm-18UNFx1.25dm | |
| 22 | 8***7 | Болт G5 3/4dm-10x3.25dm | |
| 23 | 8***2 | Болт Gr-5 0.625dm-11x1.50dm | |
| 24 | 2***0 | Болт G5 3/4dm-10x4dm | |
| 25 | 1***1 | Болт M16x2x60 Cl-8.8 | |
| 26 | 2***3 | Болт G8 0.50х1.25 | |
| 27 | 9***5 | Болт G5 5/16dm-18x1-3/4dm | |
| 28 | 8***9 | Гайка шестигранная FLG 0.75 10 GR8 PL | |
| 29 | 8***7 | Контргайка с нейлоновой вставкой M16 CLASS10 P | |
| 30 | 4***3 | Шайба 13.00X24.00X2.5 HDN PL | |
| 31 | V***3 | Шайба 17.00x30.00x3.00 Hdn Pl, сталь | |
| 32 | 9***5 | ШАЙБА | |
| 33 | 8***2 | Шайба 21.00X37.00X3.00 HDN | |
| 34 | 8***9 | Стальная шайба 0.781 | |
| 35 | 9***9 | Кольцо уплотнительное | |
| 36 | 9***0 | Опора карданного вала | |
| 37 | 8***0 | Болт шестигранный FLG USR M12 X 50 PL | |
| 38 | 4***6 | Гайка M12 Usr Pl | |
| 39 | 9***9 | Диск тормозной 508x19 | |
| 40 | 8***9 | Болт шестигранный 0.50x1.50GR5 PL | |
| 41 | 8***0 | Указатель уровня жидкости | |
| 41 | 9***8 | Стекло смотровое уровня масла | |
| 42 | V***9 | Датчик нейтрального положения рыгала переключения передач |
Содержащиеся в справочниках-каталогах запасные части и детали не предлагаются к продаже, а носят исключительно информационный характер. В демо-версии артикулы (номера деталей) скрыты. Если вы хотите видеть полные оригинальные номера запчастей, вам необходимо зарегистрироваться на нашем сайте и приобрести подписку по интересующей вас конфигурации, после этого вы сможете встроить онлайн-каталоги на ваш сайт или пользоваться ими из личного кабинета нашего сайта. Обращаем ваше внимание на то, что каталоги содержат информацию об оригинальных заводских номерах и названиях запчастей. База по аналогам в данный момент не реализована. Поиска по VIN-номерам в онлайн-каталоге не предусмотрено. Выбор конкретного каталога осуществляется путем открытия нужного типа техники, марки, модели с учетом года выпуска или модификации.