Каталог запасных частей к технике: Great Plains 3N-4010 (2016). 10 & 20 Series Seed-Lok (Option)
12
23
22
21
20
19
18
17
16
15
15
14
14
13
1
11
10
9
8
7
6
5
4
3
2
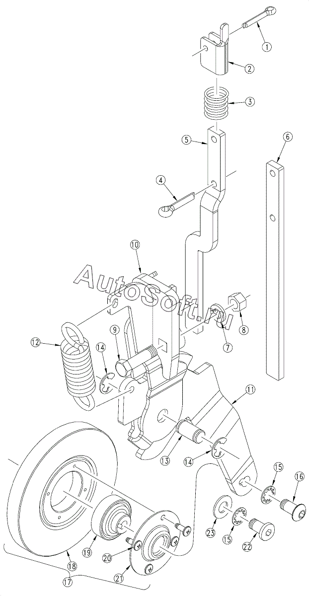
| Позиция на иллюстрации | Заводской номер детали | Название детали | |
|---|---|---|---|
| 1 | 8***C | PIN COTTER 3/16 X 1 | |
| 2 | 1***D | SEED LOCK LOCK-UP CAM | |
| 3 | 8***C | SPRING COMP .85ODX2.0LGX.067W | |
| 4 | 8***C | PIN COTTER 1/4 X 1 PLT | |
| 5 | 1***D | 10 SER SEED LOCK LOCK-UP BAR | |
| 6 | 1***D | 20 SER SEED LOCK LOCK-UP BAR | |
| 7 | 8***C | WASHER LOCK SPRING | |
| 8 | 8***C | NUT HEX | |
| 9 | 8***C | HHCS | |
| 10 | 1***H | SEED LOCK MOUNT, SINGULATING | |
| 11 | 1***D | SEED LOCK ARM, SINGULATING | |
| 12 | 8***C | SPRING | |
| 13 | 1***D | SEED-LOK WHL ARM PIVOT PIN | |
| 14 | 8***C | RING SNAP EXTERNAL | |
| 15 | 8***C | WASHER INTERNAL STAR | |
| 16 | 8***C | SCR HX SKT BUT CP 3/8-16X3/4 | |
| 17 | 1***S | BEARING WHEEL ASSY | |
| 18 | 8***C | SEED FIRMING WHEEL | |
| 19 | 1***V | BEARING | |
| 20 | 8***C | SCR PH THD FMG | |
| 21 | 8***C | RETAINER W/BONDED SEAL | |
| 22 | 8***C | LHS CP | |
| 23 | 8***C | WASHER FLAT |
Содержащиеся в справочниках-каталогах запасные части и детали не предлагаются к продаже, а носят исключительно информационный характер. В демо-версии артикулы (номера деталей) скрыты. Если вы хотите видеть полные оригинальные номера запчастей, вам необходимо зарегистрироваться на нашем сайте и приобрести подписку по интересующей вас конфигурации, после этого вы сможете встроить онлайн-каталоги на ваш сайт или пользоваться ими из личного кабинета нашего сайта. Обращаем ваше внимание на то, что каталоги содержат информацию об оригинальных заводских номерах и названиях запчастей. База по аналогам в данный момент не реализована. Поиска по VIN-номерам в онлайн-каталоге не предусмотрено. Выбор конкретного каталога осуществляется путем открытия нужного типа техники, марки, модели с учетом года выпуска или модификации.