Каталог запасных частей к технике: Great Plains 3N-4010 (2016). Coulter
29
22
23
24
25
25
25
25
26
26
27
27
28
21
30
31
32
33
34
35
36
37
38
12
12
2
3
4
5
6
7
8
9
10
11
1
13
14
14
15
15
16
17
18
18
19
19
20
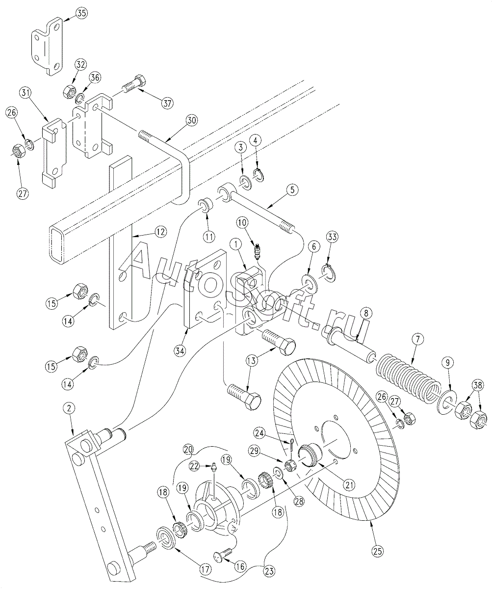
| Позиция на иллюстрации | Заводской номер детали | Название детали | |
|---|---|---|---|
| 1 | 2***S | CLTR CASTING ASSY | |
| 2 | 2***H | CLTR SWING ARM WLMT | |
| 3 | 8***C | WASHER MACH 1 1/4X3/4X14GA | |
| 4 | 8***C | SNAP RING 3/4 EXTERNAL HEAVY | |
| 5 | 8***C | EYE BOLT 3/4-10X14 3/4 LG SP | |
| 6 | 8***C | WASHER MACH 1 7/8X1 1/4X 14GA | |
| 7 | 1***D | SPRING 2.25 O.D. X .5 COIL | |
| 8 | 8***C | COULTER SPRING GUIDE TUBE | |
| 9 | 1***D | COULTER SPRING WASHER | |
| 10 | 8***C | GREASE ADAPT 1/4-28M X 1/4 TB | |
| 11 | 8***C | BUSHING 1X3/4X1 1/8 FLG HD | |
| 12 | 2***D | LONG COULT SPRING BAR | |
| 12 | 2***D | COULTER SPRING BAR 14 3/4 BLK | |
| 13 | 8***C | HHCS 7/8-9X3 GR5 | |
| 14 | 8***C | WASHER LOCK SPRING 7/8 PLT | |
| 15 | 8***C | NUT HEX 7/8-9 PLT | |
| 16 | 8***C | RHSNB | |
| 17 | 8***C | OIL-SEAL DOUBLE LIP | |
| 18 | 8***C | BEARING CONE | |
| 19 | 8***C | BEARING CUP | |
| 20 | 2***V | COULTER HUB AND CUP ASSY | |
| 21 | 2***D | HUB GREASE CAP | |
| 22 | 8***C | GREASE ZERK STRAIGHT | |
| 23 | 2***S | COULTER HUB PACKAGE | |
| 24 | 8***C | PIN COTTER 3/16 X 1 3/4 PLT | |
| 25 | 8***C | COULTER BLADE FLUTED | |
| 25 | 8***C | 17 COULTER BLADE 3/4 WAVY | |
| 25 | 8***C | 17 COULTER BLADE 5/8 WAVY | |
| 25 | 8***C | 5/8 WAVY TURBO BLADE | |
| 26 | 8***C | WASHER LOCK SPRING | |
| 27 | 8***C | NUT HEX | |
| 28 | 8***C | WASHER SPINDLE | |
| 29 | 8***C | NUT HEX SLOTTED | |
| 30 | 8***C | U-BOLT 5/8-11 X 4 1/32 X 4 | |
| 31 | 1***D | COULTER CLAMP BAR | |
| 32 | 8***C | NUT HEX | |
| 33 | 8***C | SNAP RING EXT | |
| 34 | 1***D | OFFSET COULTER MOUNT PLATE | |
| 35 | 1***D | OFFSET COULTER BRKT F/LH BOX | |
| 36 | 8***C | WASHER LOCK SPRING | |
| 37 | 8***C | HHCS | |
| 38 | 8***C | NUT HEX JAM 3/4-10 PLT |
Содержащиеся в справочниках-каталогах запасные части и детали не предлагаются к продаже, а носят исключительно информационный характер. В демо-версии артикулы (номера деталей) скрыты. Если вы хотите видеть полные оригинальные номера запчастей, вам необходимо зарегистрироваться на нашем сайте и приобрести подписку по интересующей вас конфигурации, после этого вы сможете встроить онлайн-каталоги на ваш сайт или пользоваться ими из личного кабинета нашего сайта. Обращаем ваше внимание на то, что каталоги содержат информацию об оригинальных заводских номерах и названиях запчастей. База по аналогам в данный момент не реализована. Поиска по VIN-номерам в онлайн-каталоге не предусмотрено. Выбор конкретного каталога осуществляется путем открытия нужного типа техники, марки, модели с учетом года выпуска или модификации.