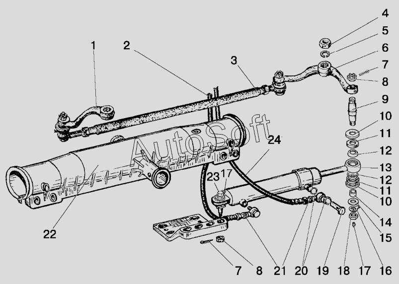
Каталог запасных частей к технике: МТЗ-80.1 (2015). Гидроцилиндр и арматура ГОРУ 900-3400010/-01 (вариант с передней осью)
13
24
23
22
21
20
19
18
17
17
16
15
14
1
12
12
11
11
10
10
9
8
8
7
7
6
5
4
3
2
| Позиция на иллюстрации | Заводской номер детали | Название детали | |
|---|---|---|---|
| 1 | 7***0 | Рычаг правый | |
| 2 | 4***0 | Рукав высокого давления | |
| 3 | 1***0 | Тяга рулевая | |
| 4 | 5***7 | Гайка | |
| 5 | 2***Л | Шайба | |
| 6 | 7***1 | Рычаг левый | |
| 7 | 4***9 | Шплинт | |
| 8 | М***9 | Гайка | |
| 9 | Ф***Б | Палец | |
| 10 | Ф***8 | Чашка уплотнительная | |
| 11 | Ф***9 | Уплотнитель | |
| 12 | Ф***7 | Втулка сферическая | |
| 13 | Ц***А | Гидроцилиндр | |
| 14 | Ф***В | Втулка | |
| 15 | С***9 | Шайба | |
| 16 | Ф***3 | Шайба стопорная | |
| 17 | 1***р | Масленка | |
| 18 | М***9 | Гайка | |
| 19 | Ф***1 | Болт | |
| 20 | 4***9 | Шайба РМ3/8 | |
| 21 | 2***А | Угольник поворотный | |
| 22 | 5***1 | Ось передняя | |
| 23 | Ф***2 | Штуцер | |
| 24 | 4***2 | Рукав высокого давления |
Содержащиеся в справочниках-каталогах запасные части и детали не предлагаются к продаже, а носят исключительно информационный характер. В демо-версии артикулы (номера деталей) скрыты. Если вы хотите видеть полные оригинальные номера запчастей, вам необходимо зарегистрироваться на нашем сайте и приобрести подписку по интересующей вас конфигурации, после этого вы сможете встроить онлайн-каталоги на ваш сайт или пользоваться ими из личного кабинета нашего сайта. Обращаем ваше внимание на то, что каталоги содержат информацию об оригинальных заводских номерах и названиях запчастей. База по аналогам в данный момент не реализована. Поиска по VIN-номерам в онлайн-каталоге не предусмотрено. Выбор конкретного каталога осуществляется путем открытия нужного типа техники, марки, модели с учетом года выпуска или модификации.