Каталог запасных частей к технике: РСМ Дон 1200. Шкив вариатора нижний
26
19
20
21
22
22
23
24
25
25
18
18
27
28
29
30
31
32
33
34
35
10
10
2
2
3
4
5
6
7
8
9
10
1
11
12
13
14
14
15
16
17
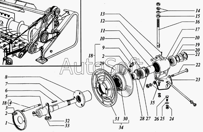
| Позиция на иллюстрации | Заводской номер детали | Название детали | |
|---|---|---|---|
| 1 | Р***4 | Диск | |
| 2 | М***9 | Гайка | |
| 3 | 1***9 | Шайба | |
| 4 | Р***1 | Шпилька L=122 мм | |
| 5 | Г***0 | Гидроцилиндр | |
| 6 | 1***3 | Шпонка | |
| 7 | Р***5 | Вал | |
| 8 | Р***3 | Ступица | |
| 9 | 1***р | Масленка | |
| 10 | 1***7 | Подшипник или 180508К2С17 | |
| 10 | 1***7 | Подшипник или 180508К10С27 | |
| 11 | Р***1 | Втулка | |
| 12 | 6***р | Ось | |
| 13 | 3***9 | Шплинт | |
| 14 | Р***2 | Шайба или РСМ-100.05.06.б01 | |
| 14 | Р***1 | Шайба или РСМ-10.08.01.602 | |
| 15 | М***9 | Гайка | |
| 16 | Р***А | Винт | |
| 17 | Р***А | Корпус | |
| 18 | Р***0 | Диск подвижный | |
| 19 | Р***2 | Втулка | |
| 20 | Н***9 | Шайба | |
| 21 | М***9 | Гайка | |
| 22 | М***9 | Болт или РСМ-10.08.01.450 | |
| 22 | Р***0 | Болт или М16-6gх150.88.019 | |
| 23 | Р***А | Плита | |
| 24 | 1***9 | Шайба | |
| 25 | 3***5 | Шайба или С16х3,9.01.019 | |
| 25 | С***9 | Шайба | |
| 26 | М***9 | Болт | |
| 27 | С***0 | Кольцо | |
| 28 | Р***А | Втулка | |
| 29 | Р***2 | Диск | |
| 30 | Р***2 | Болт | |
| 31 | Р***6 | Диск | |
| 32 | 1***9 | Шайба | |
| 33 | М***9 | Гайка | |
| 34 | Р***0 | Диск неподвижный | |
| 35 | М***9 | Болт |
Содержащиеся в справочниках-каталогах запасные части и детали не предлагаются к продаже, а носят исключительно информационный характер. В демо-версии артикулы (номера деталей) скрыты. Если вы хотите видеть полные оригинальные номера запчастей, вам необходимо зарегистрироваться на нашем сайте и приобрести подписку по интересующей вас конфигурации, после этого вы сможете встроить онлайн-каталоги на ваш сайт или пользоваться ими из личного кабинета нашего сайта. Обращаем ваше внимание на то, что каталоги содержат информацию об оригинальных заводских номерах и названиях запчастей. База по аналогам в данный момент не реализована. Поиска по VIN-номерам в онлайн-каталоге не предусмотрено. Выбор конкретного каталога осуществляется путем открытия нужного типа техники, марки, модели с учетом года выпуска или модификации.