Каталог запасных частей к технике: КЗК Енисей КЗС-950 (2005). Мост ведущий унифицированый с гидроприводом
28
20
21
22
23
24
25
26
27
19
29
30
31
32
33
34
35
36
10
2
3
4
5
6
7
8
9
1
11
12
13
14
15
16
17
18
18
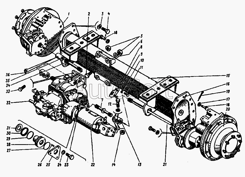
| Позиция на иллюстрации | Заводской номер детали | Название детали | |
|---|---|---|---|
| 1 | М***0 | Редуктор бортовой левый | |
| 2 | М***9 | Болт | |
| 3 | 2***0 | Шайба | |
| 4 | М***0 | Болт | |
| 5 | М***0 | Гайка | |
| 6 | 1***0 | Шайба | |
| 7 | М***0 | Полуось с отражателем | |
| 8 | М***2 | Болт демонтажа коробки диапазонов | |
| 9 | М***1 | Кронштейн демонтажа коробки диапазонов | |
| 10 | 1***0 | Шайба | |
| 11 | М***0 | Болт | |
| 12 | М***0 | Болт | |
| 13 | М***3 | Муфта соединительная | |
| 14 | М***0 | Гайка | |
| 15 | М***1 | Балка моста | |
| 16 | М***1 | Штифт | |
| 17 | А***1 | Шайба | |
| 18 | 6***0 | Ось | |
| 19 | 6***9 | Шплинт | |
| 20 | М***0 | Редуктор бортовой правый | |
| 21 | М***3 | Полуось | |
| 22 | М***0 | Гидромотор | |
| 23 | М***0 | Болт | |
| 24 | 8***0 | Шайба | |
| 25 | М***1 | Крышка полуоси | |
| 26 | 6***0 | Штифт | |
| 27 | 0***3 | Кольцо | |
| 28 | М***2 | Корпус уплотнителя | |
| 29 | С***1 | Кольцо | |
| 30 | 1***9 | Манжета | |
| 31 | С***6 | Кольцо | |
| 32 | М***А | Коробка диапазонов | |
| 33 | М***0 | Болт | |
| 34 | М***1 | Полуось | |
| 35 | М***6 | Втулка | |
| 36 | 1***4 | Масленка |
Содержащиеся в справочниках-каталогах запасные части и детали не предлагаются к продаже, а носят исключительно информационный характер. В демо-версии артикулы (номера деталей) скрыты. Если вы хотите видеть полные оригинальные номера запчастей, вам необходимо зарегистрироваться на нашем сайте и приобрести подписку по интересующей вас конфигурации, после этого вы сможете встроить онлайн-каталоги на ваш сайт или пользоваться ими из личного кабинета нашего сайта. Обращаем ваше внимание на то, что каталоги содержат информацию об оригинальных заводских номерах и названиях запчастей. База по аналогам в данный момент не реализована. Поиска по VIN-номерам в онлайн-каталоге не предусмотрено. Выбор конкретного каталога осуществляется путем открытия нужного типа техники, марки, модели с учетом года выпуска или модификации.