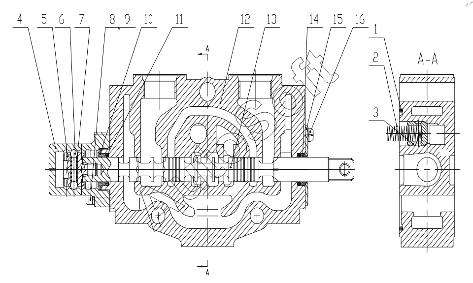
Каталог запасных частей к технике: Lonking (LongGong) CDM818D (2021). Type o reversing valves of (ZL20D-3.00)

1
2
3
4
5
6
7
8
9
10
11
12
13
14
15
16
Позиция на иллюстрации | Заводской номер детали | Название детали | |
---|---|---|---|
1 | G***2 | O-ring | |
2 | C***7 | One-way valve spring | |
3 | C***6 | One-way valve | |
4 | C***8 | Spring seat | |
5 | C***5 | Offsetting spring | |
6 | C***2 | Shaft plug | |
7 | C***4 | End cover | |
8 | G***5 | Inner hexagon screw | |
9 | G***7 | Washer | |
10 | Y***2 | Oil relief valve | |
11 | Z***1 | Over-load valve body | |
12 | Z***2 | O-slide valve | |
13 | G***2 | O-ring | |
14 | C***1 | Dust proof ring | |
15 | G***5 | Cross screw | |
16 | C***3 | Gasket |
Содержащиеся в справочниках-каталогах запасные части и детали не предлагаются к продаже, а носят исключительно информационный характер. В демо-версии артикулы (номера деталей) скрыты. Если вы хотите видеть полные оригинальные номера запчастей, вам необходимо зарегистрироваться на нашем сайте и приобрести подписку по интересующей вас конфигурации, после этого вы сможете встроить онлайн-каталоги на ваш сайт или пользоваться ими из личного кабинета нашего сайта. Обращаем ваше внимание на то, что каталоги содержат информацию об оригинальных заводских номерах и названиях запчастей. База по аналогам в данный момент не реализована. Поиска по VIN-номерам в онлайн-каталоге не предусмотрено. Выбор конкретного каталога осуществляется путем открытия нужного типа техники, марки, модели с учетом года выпуска или модификации.