Каталог запасных частей к технике: Балканкар Рекорд EB-687 (2002). Электрооборудование EB687-Piccolo
15
15
15
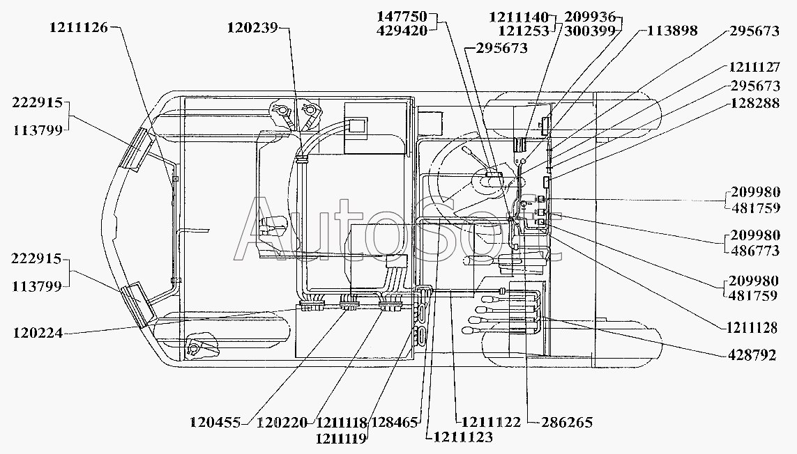
687.33.65.09.00.00.00-01
28
27
26
25
24
23
22
21
20
19
19
18
17
16
1
1
14
13
13
13
12
12
11
10
9
8
7
6
5
4
3
2
| Позиция на иллюстрации | Заводской номер детали | Название детали | |
|---|---|---|---|
| 687.33.65.09.00.00.00-01 | 6***1 | Электрооборудование | |
| 1 | [***] | Задний комбинированный осветительный корпус | |
| 2 | 4***1 | Пусковая кнопка | |
| 3 | 6***1 | Втулка | |
| 4 | 6***1 | Втулка | |
| 5 | 7***0 | Резиновая втулка | |
| 6 | 6***1 | Втулка | |
| 7 | 3***0 | Пусковой резистор | |
| 8 | D***3 | Индикатор разрядки аккумуляторной батареи ИРАБ40-I | |
| 9 | 6***2 | Втулка | |
| 10 | 3***0 | Реверс | |
| 11 | Т***8 | Щит предохранителей | |
| 12 | С***6 | Софитная лампа | |
| 13 | А***7 | Контрольная лампа | |
| 14 | 4***0 | Ключ сигнальных и оперативных цепей ККСВ | |
| 15 | 3***0 | Стяжная лента DACT-200/4,8 | |
| 16 | 4***1 | Предохранитель 8А | |
| 17 | 7***0 | Пучок проводов | |
| 18 | 6***2 | Полувтулка | |
| 19 | 5***0 | Лампа приборного щитка красная | |
| 20 | 5***0 | Лампа приборного щитка красная | |
| 21 | 6***1 | Штепсельное соединение с проводами | |
| 22 | 6***0 | Штепсельное соединение с проводами | |
| 23 | 6***0 | Пучок проводов | |
| 24 | 6***0 | Пучок проводов | |
| 25 | 6***0 | Пучок проводов | |
| 26 | 6***0 | Пучок проводов | |
| 27 | 6***0 | Пучок проводов | |
| 28 | 6***1 | Отражатель |
Содержащиеся в справочниках-каталогах запасные части и детали не предлагаются к продаже, а носят исключительно информационный характер. В демо-версии артикулы (номера деталей) скрыты. Если вы хотите видеть полные оригинальные номера запчастей, вам необходимо зарегистрироваться на нашем сайте и приобрести подписку по интересующей вас конфигурации, после этого вы сможете встроить онлайн-каталоги на ваш сайт или пользоваться ими из личного кабинета нашего сайта. Обращаем ваше внимание на то, что каталоги содержат информацию об оригинальных заводских номерах и названиях запчастей. База по аналогам в данный момент не реализована. Поиска по VIN-номерам в онлайн-каталоге не предусмотрено. Выбор конкретного каталога осуществляется путем открытия нужного типа техники, марки, модели с учетом года выпуска или модификации.