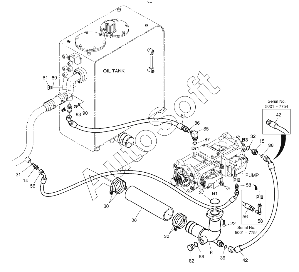
Каталог запасных частей к технике: Doosan DX225LCA (2012). OIL COOLER PIPING (1)
42
42
42
90
89
88
87
86
85
84
83
82
81
58
58
58
58
56
56
56
56
K1039406A
42
42
42
42
42
42
38
37
36
36
32
31
30
30
22
15
14
6
6
420212-00225
| Позиция на иллюстрации | Заводской номер детали | Название детали | |
|---|---|---|---|
| 420212-00225 | 4***5 | PIPING,OIL COOLER | |
| K1039406A | K***A | OIL COOLER PIPING | |
| 6 | 1***A | PIPE, SUCTION | |
| 6 | 4***A | PIPE,SUCTION | |
| 14 | 2***6 | ADAPTER | |
| 15 | 2***5 | ADAPTER | |
| 22 | S***6 | BOLT;SOCKET M12X1.75X35 | |
| 30 | S***8 | CLAMP, HOSE | |
| 31 | S***1 | O-RING | |
| 32 | S***1 | O-RING | |
| 36 | S***1 | O-RING | |
| 37 | 2***1 | O-RING | |
| 38 | 2***8 | HOSE | |
| 42 | D***6 | Hose | |
| 42 | D***8 | HOSE ASSY,HYDRAULIC | |
| 42 | D***8 | HOSE ASSY,HYDRAULIC | |
| 56 | D***0 | HOSE | |
| 56 | D***1 | HOSE ASSY,HYDRAULIC | |
| 58 | 2***5 | ADAPTER | |
| 58 | 2***6 | ELBOW | |
| 81 | 2***3 | PLUG | |
| 82 | 2***9 | PLUG PFO1 | |
| 83 | 2***1 | PLUG | |
| 84 | D***0 | HOSE | |
| 85 | 2***2 | Elbow | |
| 86 | S***1 | O-RING | |
| 87 | S***1 | O-RING | |
| 88 | S***1 | O-RING | |
| 89 | S***1 | O-RING | |
| 90 | S***1 | O-RING |
Содержащиеся в справочниках-каталогах запасные части и детали не предлагаются к продаже, а носят исключительно информационный характер. В демо-версии артикулы (номера деталей) скрыты. Если вы хотите видеть полные оригинальные номера запчастей, вам необходимо зарегистрироваться на нашем сайте и приобрести подписку по интересующей вас конфигурации, после этого вы сможете встроить онлайн-каталоги на ваш сайт или пользоваться ими из личного кабинета нашего сайта. Обращаем ваше внимание на то, что каталоги содержат информацию об оригинальных заводских номерах и названиях запчастей. База по аналогам в данный момент не реализована. Поиска по VIN-номерам в онлайн-каталоге не предусмотрено. Выбор конкретного каталога осуществляется путем открытия нужного типа техники, марки, модели с учетом года выпуска или модификации.