Каталог запасных частей к технике: Doosan DL200 (2010). FRAME

28
28
36
36
35
35
34
34
34
34
34
34
34
34
33
33
33
33
32
32
32
32
31
31
30
30
29
29
37
27
26
25
25
24
24
23
22
22
21
50
59
59
59
59
58
58
58
58
57
54
53
53
53
52
51
51
51
51
20
20
49
48
48
47
47
46
45
44
44
44
44
43
43
42
42
42
10
9
8
8
7
7
6
6
6
5
4
4
3
2
1
20
20
20
20
20
20
20
19
18
18
17
16
15
14
13
12
11
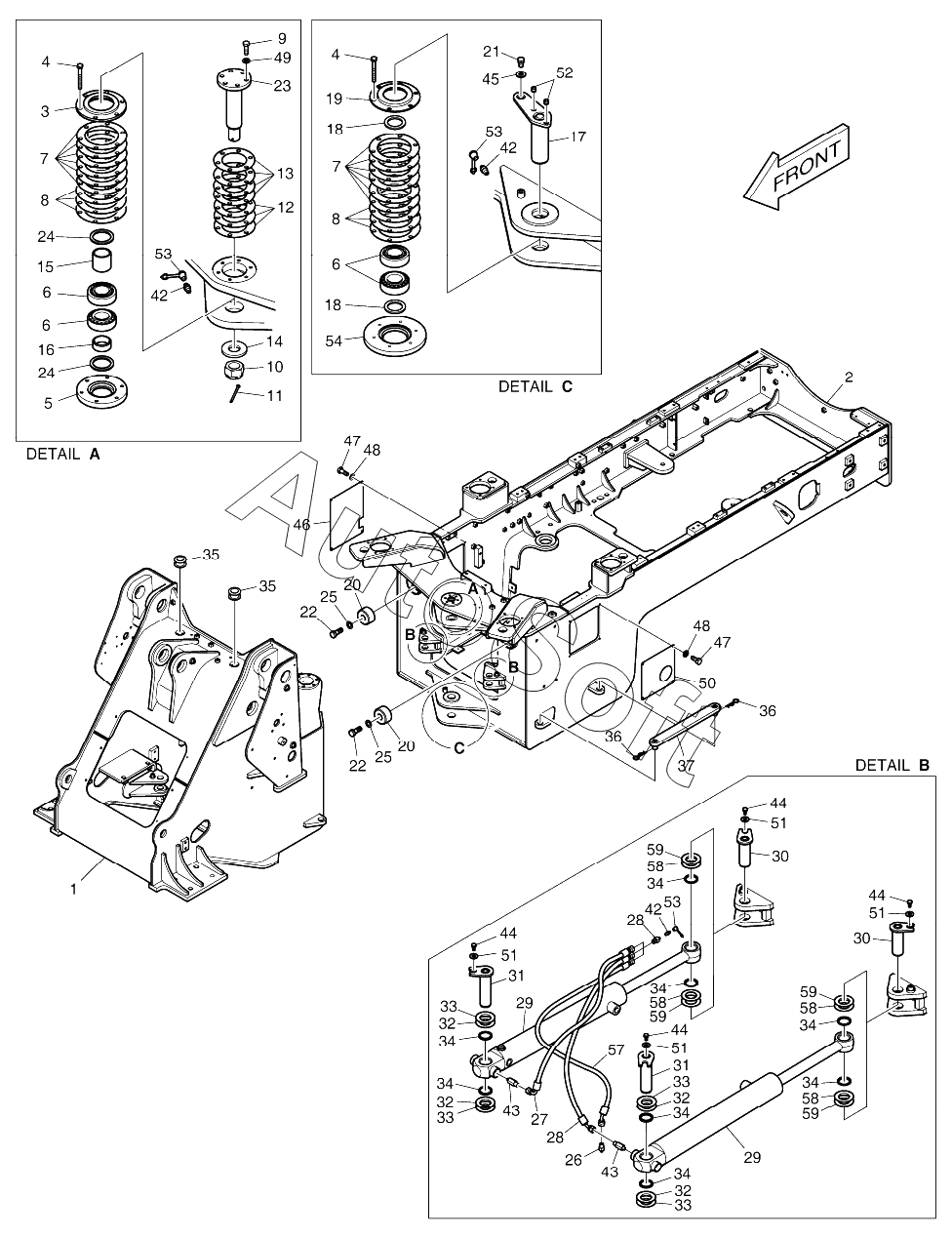
Позиция на иллюстрации | Заводской номер детали | Название детали | |
---|---|---|---|
K1018526N | K***N | FRAME | |
1 | K***B | FRAME, FRONT | |
1 | K***C | FRAME, FRONT | |
1 | K***E | FRAME, FRONT | |
1 | K***G | FRAME, FRONT | |
2 | K***E | FRAME, REAR | |
2 | K***G | FRAME, REAR | |
2 | K***H | FRAME, REAR | |
2 | K***J | FRAME, REAR | |
2 | K***K | FRAME, REAR | |
3 | 4***A | CAP, END | |
4 | S***6 | BOLT | |
5 | 1***9 | CAP, BEARING | |
6 | 4***8 | BEARING, TAPER ROLLER | |
7 | 4***4 | SHIM 0.1T | |
8 | 4***5 | SHIM 0.5T | |
9 | S***6 | Bolt | |
10 | K***4 | NUT | |
10 | S***3 | NUT, CASTLE M33X3.5 | |
11 | S***1 | PIN, SPLIT | |
11 | S***1 | PIN | |
12 | 4***5 | SHIM 0.2T | |
13 | 4***6 | SHIM 0.5T | |
14 | 4***3 | WASHER | |
14 | D***8 | WASHER | |
15 | 4***7 | SPACER | |
15 | K***3 | SPACER | |
16 | 4***6 | SPACER | |
17 | 1***8 | PIN | |
17 | K***4 | PIN | |
18 | 2***7 | SEAL, DUST | |
19 | 4***A | CAP, END | |
20 | 1***1 | RUBBER | |
20 | K***6 | STOPPER | |
20 | K***2 | STOPPER | |
20 | K***A | STOPPER | |
21 | S***6 | BOLT | |
22 | S***6 | BOLT M16X2.0X45 | |
23 | 1***A | PIN | |
23 | K***2 | PIN | |
24 | 2***8 | SEAL, DUST | |
25 | S***3 | WASHER M16 | |
26 | 2***2 | Adapter | |
27 | D***2 | HOSE | |
28 | D***5 | HOSE | |
29 | 4***2 | CYLINDER, STEERING | |
30 | K***1 | PIN | |
31 | K***9 | PIN | |
32 | 2***5 | SHIM 1.6T | |
33 | 2***6 | SHIM 1.0T | |
34 | 2***1 | SEAL, DUST | |
35 | D***8 | BUSHING, RUBBER | |
36 | 4***3 | PIN, SET | |
37 | 1***A | PLATE | |
42 | S***1 | NIPPLE;GREASE | |
43 | 2***1 | ADAPTER PF1/4-PT1/8 | |
44 | S***6 | BOLT | |
45 | 2***8 | WASHER | |
46 | K***3 | COVER | |
47 | S***6 | BOLT | |
48 | S***3 | WASHER;SPRING | |
49 | 4***A | WASHER, HARD | |
50 | K***4 | COVER | |
51 | 4***A | WASHER | |
52 | S***3 | SCREW, SET M10X1.5X10 | |
53 | 1***0 | CAP;GREASE NIPPLE | |
54 | 1***0 | CAP, BEARING | |
57 | D***6 | HOSE PF1/4-770L | |
57 | D***4 | HOSE | |
58 | 2***3 | SHIM | |
59 | D***6 | SHIM |
Содержащиеся в справочниках-каталогах запасные части и детали не предлагаются к продаже, а носят исключительно информационный характер. В демо-версии артикулы (номера деталей) скрыты. Если вы хотите видеть полные оригинальные номера запчастей, вам необходимо зарегистрироваться на нашем сайте и приобрести подписку по интересующей вас конфигурации, после этого вы сможете встроить онлайн-каталоги на ваш сайт или пользоваться ими из личного кабинета нашего сайта. Обращаем ваше внимание на то, что каталоги содержат информацию об оригинальных заводских номерах и названиях запчастей. База по аналогам в данный момент не реализована. Поиска по VIN-номерам в онлайн-каталоге не предусмотрено. Выбор конкретного каталога осуществляется путем открытия нужного типа техники, марки, модели с учетом года выпуска или модификации.