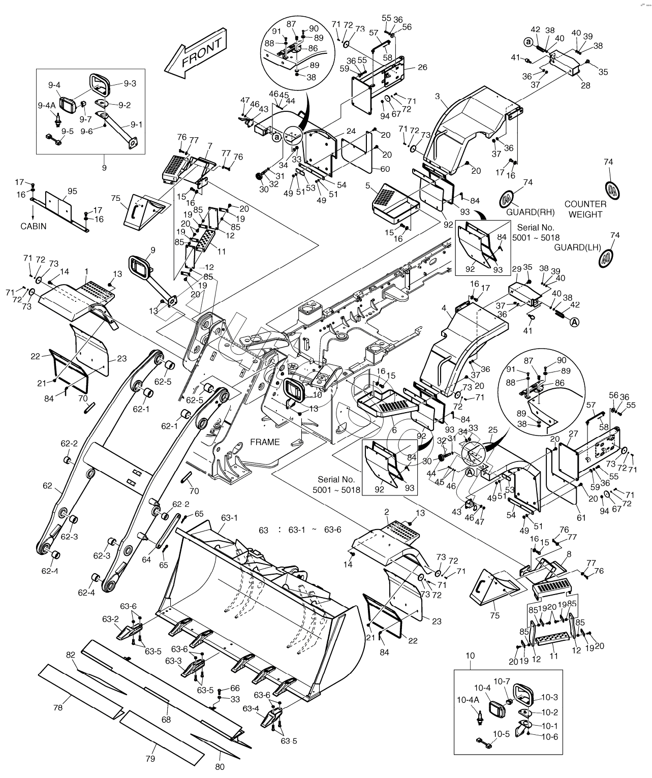
Каталог запасных частей к технике: Doosan DL200TC (2010). FENDER & LADDER & BUCKET

1
2
3
4
5
6
7
8
9
9
9-1
9-2
9-3
9-4
9-4A
9-5
9-6
9-7
10
10
10-1
10-2
10-3
10-4
10-4A
10-5
10-6
10-7
11
11
12
12
12
12
13
13
13
13
14
14
15
15
15
15
16
16
16
16
16
16
16
16
17
17
17
17
19
19
19
19
19
19
19
19
20
20
20
20
20
20
20
20
20
20
20
20
21
21
22
22
23
23
24
25
26
27
28
29
30
30
31
31
32
32
33
33
33
34
34
35
35
36
36
36
36
36
36
36
36
37
37
37
37
38
38
38
38
38
38
39
39
40
40
40
40
41
41
42
42
43
43
44
44
45
45
46
46
46
46
47
47
49
49
49
49
51
51
51
51
53
53
54
54
55
55
55
55
56
56
57
57
58
58
59
59
60
61
62
62-1
62-1
62-2
62-2
62-3
62-3
62-4
62-4
62-5
62-5
63
63-1
63-1
63-2
63-3
63-4
63-5
63-5
63-5
63-6
63-6
63-6
63-6
64
65
65
66
67
67
68
70
70
71
71
71
71
71
71
71
71
71
71
72
72
72
72
72
72
72
72
72
72
73
73
73
73
73
73
73
73
74
74
74
75
75
76
76
76
76
77
77
77
77
78
79
80
82
82
84
84
84
84
84
85
85
85
85
85
85
85
85
86
86
87
87
88
88
89
89
89
89
90
90
91
91
92
92
92
92
92
92
92
92
92
93
93
93
93
93
93
93
93
94
94
95
Позиция на иллюстрации | Заводской номер детали | Название детали | |
---|---|---|---|
K1033928C | K***C | FENDER & LADDER & BUCKET | |
1 | K***6 | FENDER, FRONT(R.H) | |
10 | K***B | SUPPORT (L.H) | |
10-1 | K***5 | PIPE(L.H) | |
10-2 | K***B | SUPPORT, LAMP(L.H) | |
10-3 | K***B | COVER, LAMP(L.H) | |
10-4 | K***7 | LAMP | |
10-4A | K***6 | BULB, HALOGEN | |
10-5 | K***6 | HARNESS | |
10-6 | D***3 | Bolt | |
10-7 | K***2 | CAP | |
11 | K***5 | RUNG | |
12 | K***A | RUBBER | |
13 | D***5 | BOLT | |
14 | D***1 | BOLT | |
15 | S***6 | BOLT | |
16 | 2***2 | WASHER | |
17 | S***6 | BOLT | |
19 | K***6 | PLATE | |
2 | K***7 | FENDER, FRONT(L.H) | |
20 | D***0 | BOLT | |
21 | D***4 | BOLT | |
22 | K***5 | PLATE | |
23 | K***A | RUBBER | |
24 | K***B | FENDER, REAR (R.H) | |
24 | K***C | FENDER, REAR (R.H) | |
25 | K***B | FENDER, REAR (L.H) | |
26 | K***A | HINGE | |
27 | K***A | HINGE | |
28 | K***A | BRACKET | |
29 | K***A | BRACKET | |
3 | K***A | FENDER, REAR (R.H) | |
30 | 1***2 | RUBBER, ROLLER | |
31 | S***0 | RING | |
32 | 1***2 | PIN | |
33 | S***3 | NUT | |
34 | S***3 | WASHER;SPRING | |
35 | D***5 | BOLT | |
36 | S***3 | WASHER;SPRING M10 | |
37 | S***3 | NUT M12 | |
38 | S***3 | NUT M8X1.25 | |
39 | S***3 | WASHER;SPRING | |
4 | K***A | FENDER, REAR (L.H) | |
40 | S***3 | WASHER;PLAIN M8 | |
41 | 2***9 | STOPPER | |
42 | 1***2 | STRIKER | |
43 | 4***6 | CATCH | |
44 | S***6 | BOLT | |
45 | S***3 | WASHER;SPRING M6 | |
46 | S***3 | WASHER;PLAIN | |
47 | S***3 | NUT M6X1.0 | |
49 | S***3 | NUT M10X1.5 | |
5 | K***8 | LADDER | |
51 | S***3 | WASHER;SPRING M10 | |
53 | K***3 | PLATE | |
54 | K***4 | PLATE | |
55 | S***6 | Bolt | |
56 | 4***A | Washer | |
57 | K***4 | STAY | |
58 | S***1 | Pin, split | |
59 | 2***0 | WASHER;PLAIN | |
6 | K***7 | LADDER | |
60 | K***A | PLATE | |
61 | K***A | RUBBER | |
62 | K***1 | ARM, LIFT | |
62-1 | 4***A | BUSHING | |
62-2 | 4***A | BUSHING | |
62-3 | 1***3 | BUSHING | |
62-4 | 1***1 | BUSHING | |
62-5 | K***0 | BUSH | |
63 | K***6 | BUCKET ASS'Y | |
63-1 | -***- | Frame assy | |
63-2 | 4***A | TOOTH | |
63-3 | 4***A | TOOTH, SIDE(R.H) | |
63-4 | 4***A | TOOTH, SIDE(L.H) | |
63-5 | S***6 | BOLT M16X2.0X60 | |
63-6 | S***3 | NUT | |
64 | 4***B | PLATE | |
65 | 4***3 | PIN, SET | |
66 | S***6 | BOLT M16X2.0X50 | |
67 | 1***8 | REFLECTOR | |
68 | K***A | PROTECTOR, TOOTH | |
7 | K***A | LADDER | |
70 | K***6 | BRACKET | |
71 | S***3 | SCREW M5X0.8X16 | |
72 | S***3 | WASHER SPRING M5 | |
73 | 2***3 | REFLECTOR | |
74 | 1***3 | PLATE, NAME | |
75 | K***A | CHOCK, WHEEL | |
76 | S***3 | Bolt, wing | |
77 | 2***0 | WASHER | |
78 | K***A | NAME, PLATE | |
79 | K***A | NAME, PLATE | |
8 | K***A | LADDER | |
80 | K***5 | PLATE, NAME | |
82 | K***0 | PLATE, NAME | |
84 | 2***1 | CLIP;BAND (146L) | |
85 | K***4 | SPACER | |
86 | 1***A | CATCH | |
87 | K***0 | KEY, CYLINDER | |
88 | 2***6 | WASHER | |
89 | D***8 | WASHER, HARDENED | |
9 | K***B | SUPPORT (R.H) | |
9-1 | K***6 | PIPE(R.H) | |
9-2 | K***B | SUPPORT, LAMP(R.H) | |
9-3 | K***B | COVER, LAMP(R.H) | |
9-4 | K***6 | LAMP | |
9-4A | K***6 | BULB, HALOGEN | |
9-5 | K***6 | HARNESS | |
9-6 | D***3 | Bolt | |
9-7 | K***2 | CAP | |
90 | S***6 | BOLT M8X1.25X30 | |
91 | S***6 | BOLT | |
92 | K***4 | RUBBER, ROTECTOR | |
92 | К***А | RUBBER, PROTECTOR | |
93 | К***5 | PLATE | |
93 | К***А | PLATE | |
94 | S***3 | NUT M5X0.8 | |
95 | К***9 | PLATE, LICENSE | |
95 | К***А | PLATE, LICENSE |
Содержащиеся в справочниках-каталогах запасные части и детали не предлагаются к продаже, а носят исключительно информационный характер. В демо-версии артикулы (номера деталей) скрыты. Если вы хотите видеть полные оригинальные номера запчастей, вам необходимо зарегистрироваться на нашем сайте и приобрести подписку по интересующей вас конфигурации, после этого вы сможете встроить онлайн-каталоги на ваш сайт или пользоваться ими из личного кабинета нашего сайта. Обращаем ваше внимание на то, что каталоги содержат информацию об оригинальных заводских номерах и названиях запчастей. База по аналогам в данный момент не реализована. Поиска по VIN-номерам в онлайн-каталоге не предусмотрено. Выбор конкретного каталога осуществляется путем открытия нужного типа техники, марки, модели с учетом года выпуска или модификации.