Каталог запасных частей к технике: Doosan DL200TC (2010). REAR FENDER

35
35
24
24
25
25
26
26
26
26
27
27
28
28
28
28
29
29
30
30
31
31
32
32
32
32
33
33
34
34
23
23
23
23
36
36
37
38
39
39
39
39
40
40
41
41
42
42
43
43
43
43
44
44
45
45
12
12
1
1
2
2
3
4
5
6
7
7
8
8
9
9
10
10
11
11
13
13
13
13
13
13
13
13
14
14
14
14
15
15
15
15
15
15
16
16
17
17
17
17
18
18
19
19
20
20
21
21
22
22
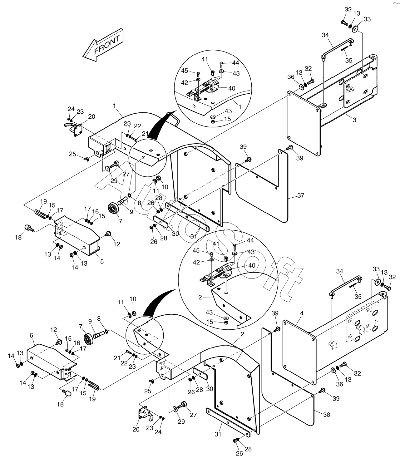
Позиция на иллюстрации | Заводской номер детали | Название детали | |
---|---|---|---|
K1018623B | K***B | REAR FENDER | |
1 | K***A | FENDER, REAR (R.H) | |
2 | K***A | FENDER, REAR (L.H) | |
3 | K***A | HINGE | |
4 | K***A | HINGE | |
5 | K***A | BRACKET | |
6 | K***A | BRACKET | |
7 | 1***2 | RUBBER, ROLLER | |
8 | S***0 | RING | |
9 | 1***2 | PIN | |
10 | S***3 | NUT | |
11 | S***3 | WASHER;SPRING | |
12 | D***5 | BOLT | |
13 | S***3 | WASHER;SPRING M10 | |
14 | S***3 | NUT M12 | |
15 | S***3 | NUT M8X1.25 | |
16 | S***3 | WASHER;SPRING | |
17 | S***3 | WASHER;PLAIN M8 | |
18 | 2***9 | STOPPER | |
19 | 1***2 | STRIKER | |
20 | 4***6 | CATCH | |
21 | S***6 | BOLT | |
22 | S***3 | WASHER;SPRING M6 | |
23 | S***3 | WASHER;PLAIN | |
24 | S***3 | NUT M6X1.0 | |
25 | S***3 | NUT;WING M10X1.5 | |
26 | S***3 | NUT M10X1.5 | |
27 | 1***A | BOLT | |
28 | S***3 | WASHER;SPRING M10 | |
29 | 2***9 | WASHER | |
30 | K***3 | PLATE | |
31 | K***4 | PLATE | |
32 | S***6 | Bolt | |
33 | 4***A | Washer | |
34 | K***4 | STAY | |
35 | S***1 | Pin, split | |
36 | 2***0 | WASHER;PLAIN | |
37 | K***A | PLATE | |
38 | К***А | RUBBER | |
39 | D***0 | BOLT | |
40 | 1***А | CATCH | |
41 | К***0 | KEY, CYLINDER | |
42 | 2***6 | WASHER | |
43 | D***8 | WASHER, HARDENED | |
44 | S***6 | BOLT M8X1.25X30 | |
45 | S***6 | BOLT |
Содержащиеся в справочниках-каталогах запасные части и детали не предлагаются к продаже, а носят исключительно информационный характер. В демо-версии артикулы (номера деталей) скрыты. Если вы хотите видеть полные оригинальные номера запчастей, вам необходимо зарегистрироваться на нашем сайте и приобрести подписку по интересующей вас конфигурации, после этого вы сможете встроить онлайн-каталоги на ваш сайт или пользоваться ими из личного кабинета нашего сайта. Обращаем ваше внимание на то, что каталоги содержат информацию об оригинальных заводских номерах и названиях запчастей. База по аналогам в данный момент не реализована. Поиска по VIN-номерам в онлайн-каталоге не предусмотрено. Выбор конкретного каталога осуществляется путем открытия нужного типа техники, марки, модели с учетом года выпуска или модификации.