Каталог запасных частей к технике: SDLG L956F (2017). Control valve (331005)
34
34
24
25
26
27
28
29
30
31
32
33
23
35
35
36
37
38
38
39
39
40
40
41
41
42
43
43
43
44
12
2
3
4
5
6
7
8
9
10
11
1
13
14
15
16
17
18
19
20
21
22
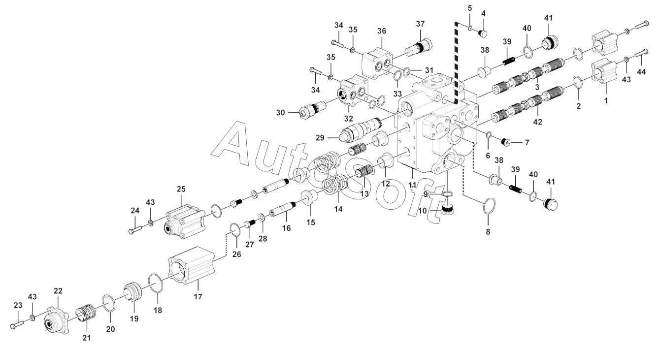
| Позиция на иллюстрации | Заводской номер детали | Название детали | |
|---|---|---|---|
| 1 | 4***3 | Cover | |
| 2 | 4***1 | O-ring | |
| 3 | 4***2 | Spool | |
| 4 | 4***5 | Plug | |
| 5 | 4***2 | O-ring | |
| 6 | 4***3 | O-ring | |
| 7 | 4***2 | Plug | |
| 8 | 4***4 | O-ring | |
| 9 | 4***5 | O-ring | |
| 10 | 4***8 | Plug | |
| 11 | 4***4 | Valve body | |
| 12 | 4***4 | Spring seat | |
| 13 | 4***5 | Spring | |
| 14 | 4***2 | Spring | |
| 15 | 4***4 | Spring seat | |
| 16 | 4***5 | Joint | |
| 17 | 4***3 | Cover | |
| 18 | 4***6 | O-ring | |
| 19 | 4***2 | Piston | |
| 20 | 4***7 | O-ring | |
| 21 | 4***1 | Spring | |
| 22 | 4***0 | Plate | |
| 23 | 4***8 | Screw | |
| 24 | 4***9 | Screw | |
| 25 | 4***1 | Cover | |
| 26 | 4***0 | O-ring | |
| 27 | 4***1 | Screw | |
| 28 | 4***2 | Washer | |
| 29 | 4***2 | Valve | |
| 30 | 4***2 | Valve | |
| 31 | 4***3 | O-ring | |
| 32 | 4***0 | Valve | |
| 33 | 4***4 | O-ring | |
| 34 | 4***5 | Screw | |
| 35 | 4***6 | Washer | |
| 36 | 4***1 | Valve | |
| 37 | 4***1 | Valve | |
| 38 | 4***9 | Direction valve | |
| 39 | 4***8 | Check valve spring | |
| 40 | 4***7 | O-ring | |
| 41 | 4***7 | Cover gdf-32-05 | |
| 42 | 4***5 | Valve rod | |
| 43 | 4***6 | WASHER | |
| 44 | 4***8 | Screw |
Содержащиеся в справочниках-каталогах запасные части и детали не предлагаются к продаже, а носят исключительно информационный характер. В демо-версии артикулы (номера деталей) скрыты. Если вы хотите видеть полные оригинальные номера запчастей, вам необходимо зарегистрироваться на нашем сайте и приобрести подписку по интересующей вас конфигурации, после этого вы сможете встроить онлайн-каталоги на ваш сайт или пользоваться ими из личного кабинета нашего сайта. Обращаем ваше внимание на то, что каталоги содержат информацию об оригинальных заводских номерах и названиях запчастей. База по аналогам в данный момент не реализована. Поиска по VIN-номерам в онлайн-каталоге не предусмотрено. Выбор конкретного каталога осуществляется путем открытия нужного типа техники, марки, модели с учетом года выпуска или модификации.