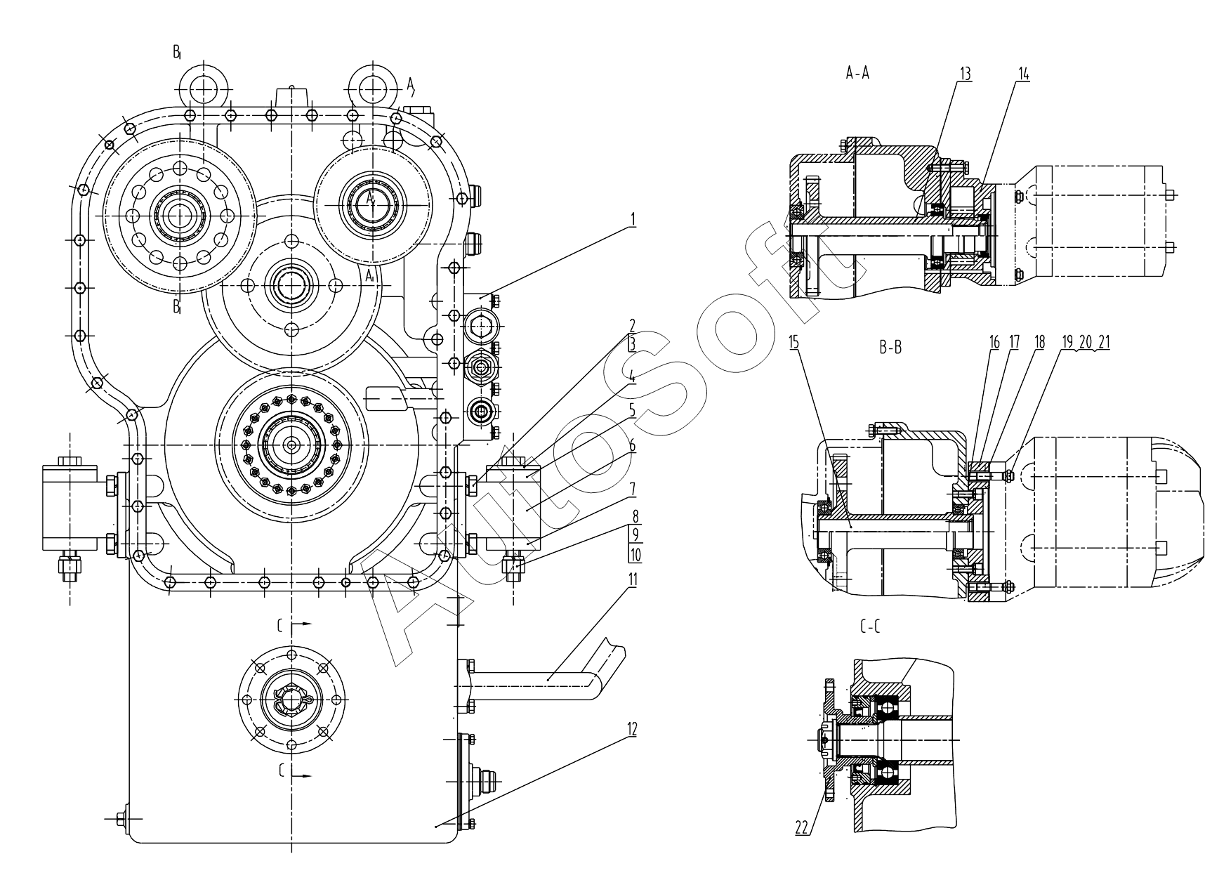
Каталог запасных частей к технике: LiuGong ZL50C. 04E0096 002 TRANSMISSION MOUNTING

12
22
21
20
19
18
17
16
15
14
13
1
11
10
9
8
7
6
5
4
3
2
Позиция на иллюстрации | Заводской номер детали | Название детали | |
---|---|---|---|
1 | 1***6 | SHIFT CONTROL VALVE | |
2 | 0***6 | Болт | |
3 | 0***4 | Шайба | |
4 | 1***4 | Shim | |
5 | 1***7 | Cushion | |
6 | 0***1 | Скоба | |
7 | 1***9 | Cushion | |
8 | 0***5 | Гайка | |
9 | 0***6 | WASHER | |
10 | 0***8 | BOLT | |
11 | 0***1 | FIILLER TUBE | |
12 | 4***1 | Transmission | |
13 | 4***7 | Shaft gear | |
14 | 1***8 | Gear shift pump | |
15 | 4***2 | SHAFT GEAR | |
16 | 5***8 | Shim | |
17 | 0***2 | FLANGE | |
18 | 8***9 | Сальник | |
19 | 0***3 | NUT | |
20 | 0***6 | STUD | |
21 | 0***8 | Шайба | |
22 | 0***2 | Flange |
Содержащиеся в справочниках-каталогах запасные части и детали не предлагаются к продаже, а носят исключительно информационный характер. В демо-версии артикулы (номера деталей) скрыты. Если вы хотите видеть полные оригинальные номера запчастей, вам необходимо зарегистрироваться на нашем сайте и приобрести подписку по интересующей вас конфигурации, после этого вы сможете встроить онлайн-каталоги на ваш сайт или пользоваться ими из личного кабинета нашего сайта. Обращаем ваше внимание на то, что каталоги содержат информацию об оригинальных заводских номерах и названиях запчастей. База по аналогам в данный момент не реализована. Поиска по VIN-номерам в онлайн-каталоге не предусмотрено. Выбор конкретного каталога осуществляется путем открытия нужного типа техники, марки, модели с учетом года выпуска или модификации.