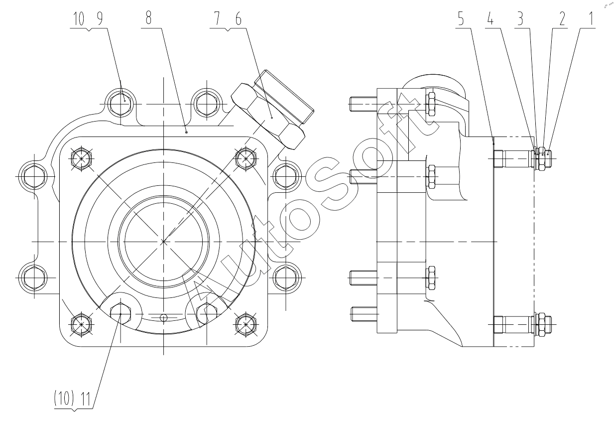
Каталог запасных частей к технике: LiuGong ZL50C. 11C0718 002 PUMP

1
2
3
4
5
6
7
8
9
10
10
11
Позиция на иллюстрации | Заводской номер детали | Название детали | |
---|---|---|---|
1 | 0***4 | STUD | |
2 | 0***3 | NUT | |
3 | 0***8 | Шайба | |
4 | 0***0 | Шайба | |
5 | 8***0 | Шайба уплотнительная | |
6 | 0***3 | Connector | |
7 | 0***3 | WASHER | |
8 | 1***0 | Gear shift pump | |
9 | 0***4 | Болт | |
10 | 0***2 | Шайба | |
11 | 0***3 | Болт |
Содержащиеся в справочниках-каталогах запасные части и детали не предлагаются к продаже, а носят исключительно информационный характер. В демо-версии артикулы (номера деталей) скрыты. Если вы хотите видеть полные оригинальные номера запчастей, вам необходимо зарегистрироваться на нашем сайте и приобрести подписку по интересующей вас конфигурации, после этого вы сможете встроить онлайн-каталоги на ваш сайт или пользоваться ими из личного кабинета нашего сайта. Обращаем ваше внимание на то, что каталоги содержат информацию об оригинальных заводских номерах и названиях запчастей. База по аналогам в данный момент не реализована. Поиска по VIN-номерам в онлайн-каталоге не предусмотрено. Выбор конкретного каталога осуществляется путем открытия нужного типа техники, марки, модели с учетом года выпуска или модификации.