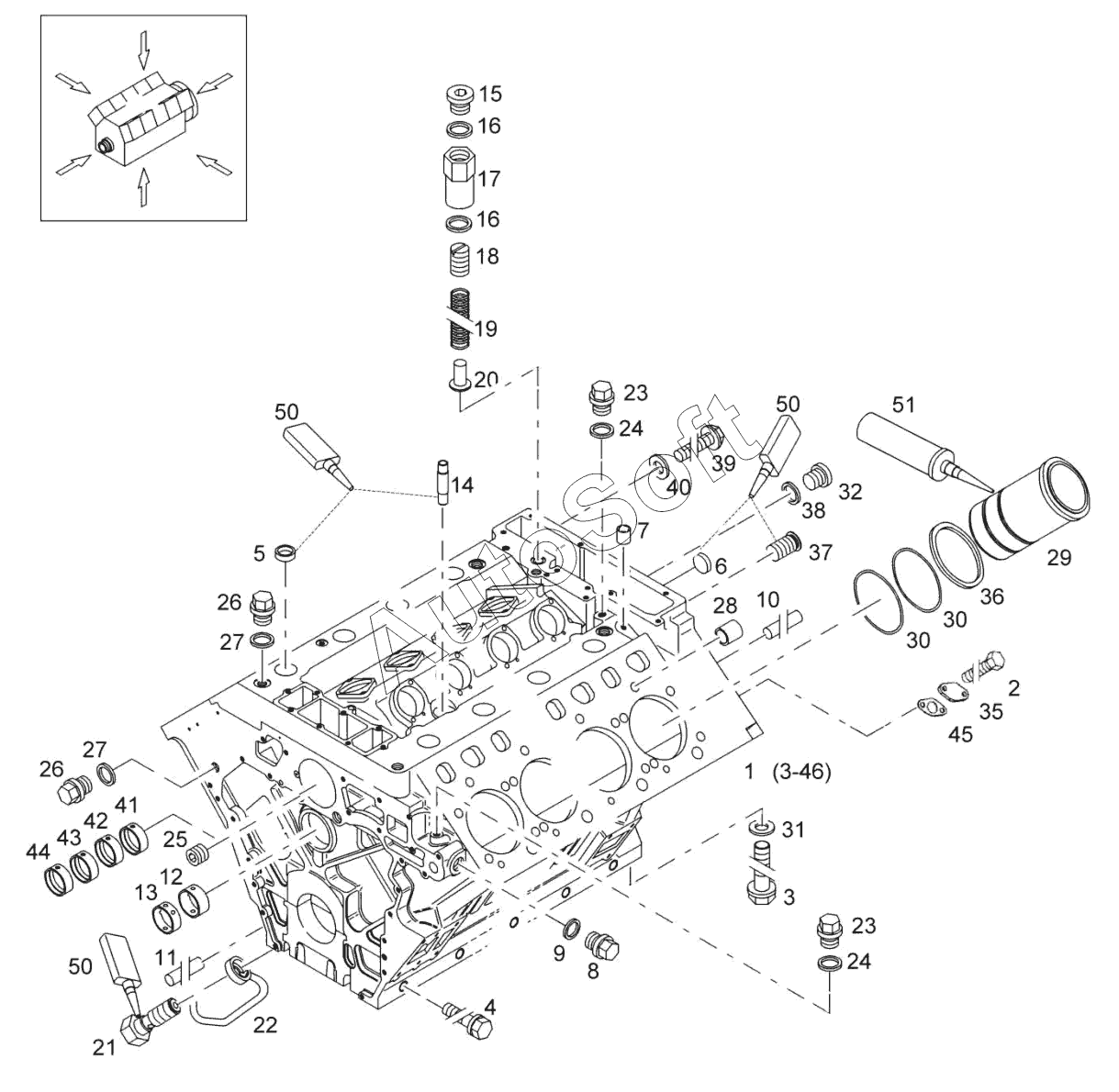
Каталог запасных частей к технике: BOMAG BC772RB-2 (2017). Crankcase
36
25
26
26
27
27
28
29
30
30
31
32
33
34
35
24
24
37
38
39
40
41
42
43
44
45
50
50
50
51
13
2
3
3
4
5
6
7
8
9
10
11
12
1
14
15
16
16
17
18
19
20
21
22
23
23
| Позиция на иллюстрации | Заводской номер детали | Название детали | |
|---|---|---|---|
| 1 | 0***0 | Crankcase | |
| 2 | 0***5 | Hexagon bolt 25Nm | |
| 3 | 0***3 | Hexagon bolt | |
| 4 | 0***0 | Hexagon bolt | |
| 5 | 0***5 | Core hole plug | |
| 6 | 0***5 | Cover | |
| 7 | 0***4 | Plug | |
| 8 | 0***5 | Screw plug 111Nm | |
| 9 | 0***8 | Sealing ring | |
| 10 | 0***8 | Pin,cylindric | |
| 11 | 0***5 | Pin,cylindric | |
| 12 | 0***5 | Bearing bush | |
| 13 | 0***6 | Bearing bush | |
| 14 | 0***5 | Ventilation pipe | |
| 15 | 0***7 | Screw plug 180Nm | |
| 16 | 0***0 | Sealing ring | |
| 17 | 0***7 | Housing 210Nm | |
| 18 | 0***6 | Setscrew | |
| 19 | 0***8 | Pressure spring | |
| 20 | 0***9 | Valve spool | |
| 21 | 0***5 | Pressure relief valve 28Nm | |
| 22 | 0***0 | Nozzle | |
| 23 | 0***6 | Screw plug 34Nm | |
| 24 | 0***8 | Sealing ring | |
| 25 | 0***6 | Plug | |
| 26 | 0***9 | Screw plug | |
| 27 | 0***8 | Sealing ring | |
| 28 | 0***7 | Dowel bush | |
| 29 | 0***4 | Cylinder liner | |
| 30 | 0***2 | Loop ring | |
| 31 | 0***7 | Washer | |
| 32 | 0***8 | Tapped bush 30Nm | |
| 33 | 0***9 | Tapped bush 28Nm | |
| 34 | 0***0 | Pin,cylindric | |
| 35 | 0***0 | Flange | |
| 36 | 0***1 | Shim | |
| 37 | 0***5 | Screw plug 88Nm | |
| 38 | 0***3 | Sealing ring | |
| 39 | 0***9 | Hexagon bolt | |
| 40 | 0***4 | Sealing ring | |
| 41 | 0***5 | Bearing bush | |
| 42 | 0***6 | Bearing bush | |
| 43 | 0***7 | Bearing bush | |
| 44 | 0***8 | Bearing bush | |
| 45 | 0***9 | Gasket | |
| 50 | 0***2 | Locking aid | |
| 51 | 0***6 | Fitting compound |
Содержащиеся в справочниках-каталогах запасные части и детали не предлагаются к продаже, а носят исключительно информационный характер. В демо-версии артикулы (номера деталей) скрыты. Если вы хотите видеть полные оригинальные номера запчастей, вам необходимо зарегистрироваться на нашем сайте и приобрести подписку по интересующей вас конфигурации, после этого вы сможете встроить онлайн-каталоги на ваш сайт или пользоваться ими из личного кабинета нашего сайта. Обращаем ваше внимание на то, что каталоги содержат информацию об оригинальных заводских номерах и названиях запчастей. База по аналогам в данный момент не реализована. Поиска по VIN-номерам в онлайн-каталоге не предусмотрено. Выбор конкретного каталога осуществляется путем открытия нужного типа техники, марки, модели с учетом года выпуска или модификации.