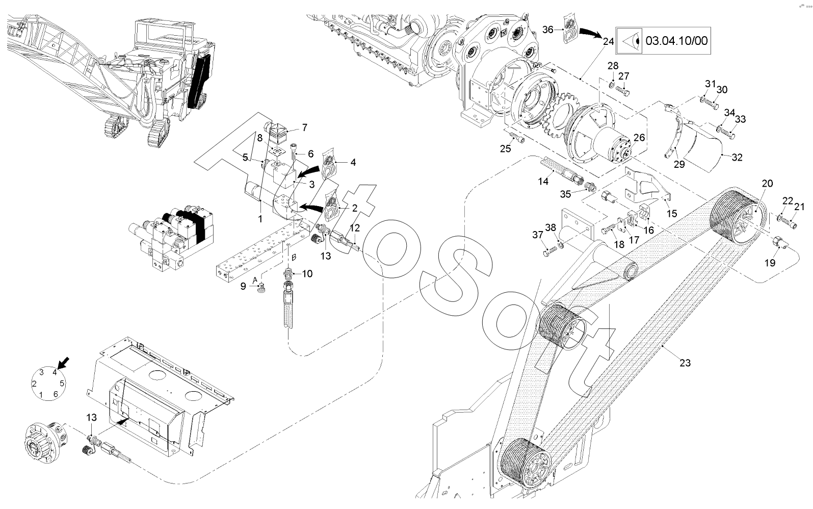
Каталог запасных частей к технике: WIRTGEN 2200SM (2017). DRIVE MILL DRUM

30
21
22
23
24
25
26
27
28
29
20
31
32
33
34
35
36
37
38
10
2
3
4
5
6
7
8
9
1
12
13
13
14
15
16
17
18
19
Позиция на иллюстрации | Заводской номер детали | Название детали | |
---|---|---|---|
1 | 3***1 | PRESSURE REDUCTION VALVE | |
2 | 1***7 | SET OF SEALS | |
3 | 1***5 | DIRECTIONAL VALVE | |
4 | 1***1 | SET OF SEALS | |
5 | 1***0 | SOLENOID | |
6 | 5***6 | SCREW | |
7 | 1***0 | FEMALE PLUG WITH CABLE | |
8 | 2***1 | SEAL | |
9 | 9***2 | SCREWED SEALING PLUG | |
10 | 1***6 | MALE STUD COUPLING | |
12 | 6***6 | MEASURING HOSE | |
13 | 4***3 | SCREWED JOINT | |
14 | 1***1 | HYDRAULIC HOSE | |
15 | 1***7 | HOLDER | |
16 | 4***0 | PIPE CLIP | |
17 | 4***7 | COVER PLATE | |
18 | 5***3 | SCREW | |
19 | 1***8 | BENT TUBE | |
20 | 1***3 | V-BELT PULLEY | |
21 | 4***0 | SCREW | |
22 | 5***1 | STRAIN WASHER | |
23 | 1***0 | POWER BELT COMPOUND UNIT | |
24 | 1***7 | COUPLING | |
25 | 5***6 | SCREW | |
26 | 6***2 | ROTARY DUCT | |
27 | 4***3 | SCREW | |
28 | 5***5 | WASHER | |
29 | 2***0 | HOLDER | |
30 | 4***7 | SCREW | |
31 | 5***5 | WASHER | |
32 | 2***2 | PROTECTING SHEET | |
33 | 4***6 | SCREW | |
34 | 5***4 | WASHER | |
35 | 3***6 | STRAIGHT COUPLING | |
36 | 1***8 | SET OF SEALS | |
37 | 4***7 | SCREW | |
38 | 5***0 | WASHER |
Содержащиеся в справочниках-каталогах запасные части и детали не предлагаются к продаже, а носят исключительно информационный характер. В демо-версии артикулы (номера деталей) скрыты. Если вы хотите видеть полные оригинальные номера запчастей, вам необходимо зарегистрироваться на нашем сайте и приобрести подписку по интересующей вас конфигурации, после этого вы сможете встроить онлайн-каталоги на ваш сайт или пользоваться ими из личного кабинета нашего сайта. Обращаем ваше внимание на то, что каталоги содержат информацию об оригинальных заводских номерах и названиях запчастей. База по аналогам в данный момент не реализована. Поиска по VIN-номерам в онлайн-каталоге не предусмотрено. Выбор конкретного каталога осуществляется путем открытия нужного типа техники, марки, модели с учетом года выпуска или модификации.