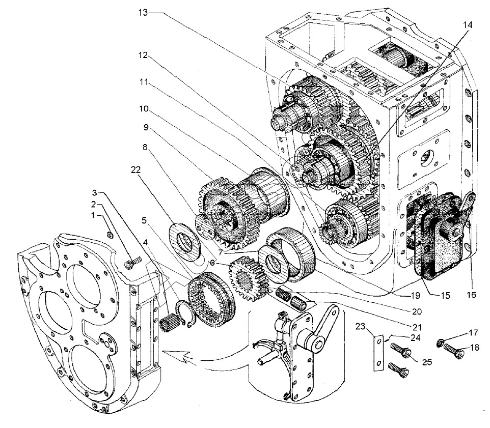
Каталог запасных частей к технике: ЧСДМ ДЗ-98В (2022). Коробка передач (ДЗ-98.10.04.000);Gearbox

13
25
24
23
22
21
20
19
18
17
16
15
14
1
12
11
10
9
8
7
6
5
4
3
2
Позиция на иллюстрации | Заводской номер детали | Название детали | |
---|---|---|---|
1 | Д***1 | Шайба стопорная | |
2 | Б***) | Болт М8-6gх30.88.019(S18) | |
3 | П***4 | Подшипник игольчатый 30х42х44 | |
4 | К***5 | Кольцо 1В75 | |
5 | Д***3 | Муфта | |
6 | Д***1 | Муфта | |
7 | Д***2 | Кольцо | |
8 | Д***3 | Шайба | |
9 | Д***5 | Шестерня | |
10 | Д***9 | Стакан | |
11 | Д***0 | Вал мультипликатора | |
12 | Д***0 | Вал промежуточный | |
13 | Д***0 | Вал реверса | |
14 | Д***0 | Вал ведущий | |
15 | Д***1 | Прокладка | |
16 | Д***0 | Механизм переключения мультипликатора | |
17 | Ш***9 | Шайба 12.65Г.069 | |
18 | Б***9 | Болт М12-6gх35.58.019 | |
19 | Д***1 | Стакан | |
20 | Д***1 | Пружина | |
21 | Д***4 | Фиксатор | |
22 | Д***2 | Кольцо | |
23 | 0***8 | Планка | |
24 | П***6 | Проволока 1,6 | |
25 | Д***4 | Болт |
Содержащиеся в справочниках-каталогах запасные части и детали не предлагаются к продаже, а носят исключительно информационный характер. В демо-версии артикулы (номера деталей) скрыты. Если вы хотите видеть полные оригинальные номера запчастей, вам необходимо зарегистрироваться на нашем сайте и приобрести подписку по интересующей вас конфигурации, после этого вы сможете встроить онлайн-каталоги на ваш сайт или пользоваться ими из личного кабинета нашего сайта. Обращаем ваше внимание на то, что каталоги содержат информацию об оригинальных заводских номерах и названиях запчастей. База по аналогам в данный момент не реализована. Поиска по VIN-номерам в онлайн-каталоге не предусмотрено. Выбор конкретного каталога осуществляется путем открытия нужного типа техники, марки, модели с учетом года выпуска или модификации.