Каталог запасных частей к технике: ЧСДМ ДЗ-250 (ГМП) (2024). Электрооборудование автогрейдера (25001.41.00.000)

12
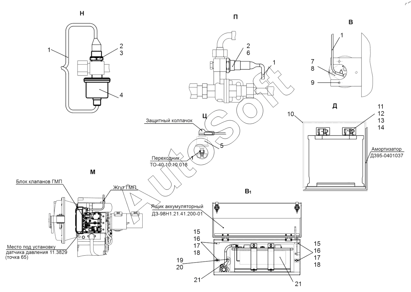
21
21
20
19
18
18
17
17
16
16
15
15
14
13
2
2
2
11
10
9
8
7
6
5
4
3
Позиция на иллюстрации | Заводской номер детали | Название детали | |
---|---|---|---|
2 | 0***4 | Прокладка | |
3 | 6***1 | Датчик аварийного давления воздуха | |
4 | 3***9 | Датчик указателя давления | |
5 | 1***0 | Датчик указателя давления | |
6 | 6***1 | Датчик аварийного давления воздуха | |
7 | П***0 | Розетка переностной лампы | |
8 | 5***2 | Чехол защитный | |
9 | В***9 | Винт В2.М4-6gх35.58.019 | |
10 | Т***А | Термокейс | |
11 | Б***9 | Болт М10-6gх35.58.019 | |
12 | Г***9 | Гайка М10-6H.5.019 | |
13 | Ш***9 | Шайба 10 65Г 019 | |
14 | Ш***9 | Шайба С.10.02.019 | |
15 | Д***3 | Прижим | |
16 | Б***9 | Болт М12-6gх30.58.019 | |
17 | Ш***9 | Шайба 12 65Г 069 | |
18 | Ш***9 | Шайба | |
19 | Б***9 | Болт М10-6gх16.58.019 | |
20 | Ш***9 | Шайба 10 65Г 019 | |
21 | Д***3 | Провод | |
22 | А***2 | Система автоматического нагрева |
Содержащиеся в справочниках-каталогах запасные части и детали не предлагаются к продаже, а носят исключительно информационный характер. В демо-версии артикулы (номера деталей) скрыты. Если вы хотите видеть полные оригинальные номера запчастей, вам необходимо зарегистрироваться на нашем сайте и приобрести подписку по интересующей вас конфигурации, после этого вы сможете встроить онлайн-каталоги на ваш сайт или пользоваться ими из личного кабинета нашего сайта. Обращаем ваше внимание на то, что каталоги содержат информацию об оригинальных заводских номерах и названиях запчастей. База по аналогам в данный момент не реализована. Поиска по VIN-номерам в онлайн-каталоге не предусмотрено. Выбор конкретного каталога осуществляется путем открытия нужного типа техники, марки, модели с учетом года выпуска или модификации.