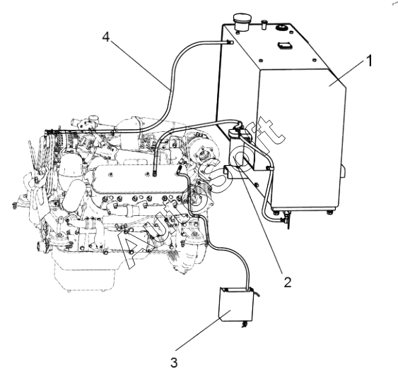
Каталог запасных частей к технике: ЧСДМ ДЗ-250 (ГМП) (2024). Cистема топливная (25001.31.00.000)

1
2
3
4
Позиция на иллюстрации | Заводской номер детали | Название детали | |
---|---|---|---|
1 | Д***0 | Установка топливного бака | |
2 | Д***0 | Установка топливного фильтра | |
3 | Д***0 | Установка бачка | |
4 | 2***0 | Установка топливопроводов |
Содержащиеся в справочниках-каталогах запасные части и детали не предлагаются к продаже, а носят исключительно информационный характер. В демо-версии артикулы (номера деталей) скрыты. Если вы хотите видеть полные оригинальные номера запчастей, вам необходимо зарегистрироваться на нашем сайте и приобрести подписку по интересующей вас конфигурации, после этого вы сможете встроить онлайн-каталоги на ваш сайт или пользоваться ими из личного кабинета нашего сайта. Обращаем ваше внимание на то, что каталоги содержат информацию об оригинальных заводских номерах и названиях запчастей. База по аналогам в данный момент не реализована. Поиска по VIN-номерам в онлайн-каталоге не предусмотрено. Выбор конкретного каталога осуществляется путем открытия нужного типа техники, марки, модели с учетом года выпуска или модификации.