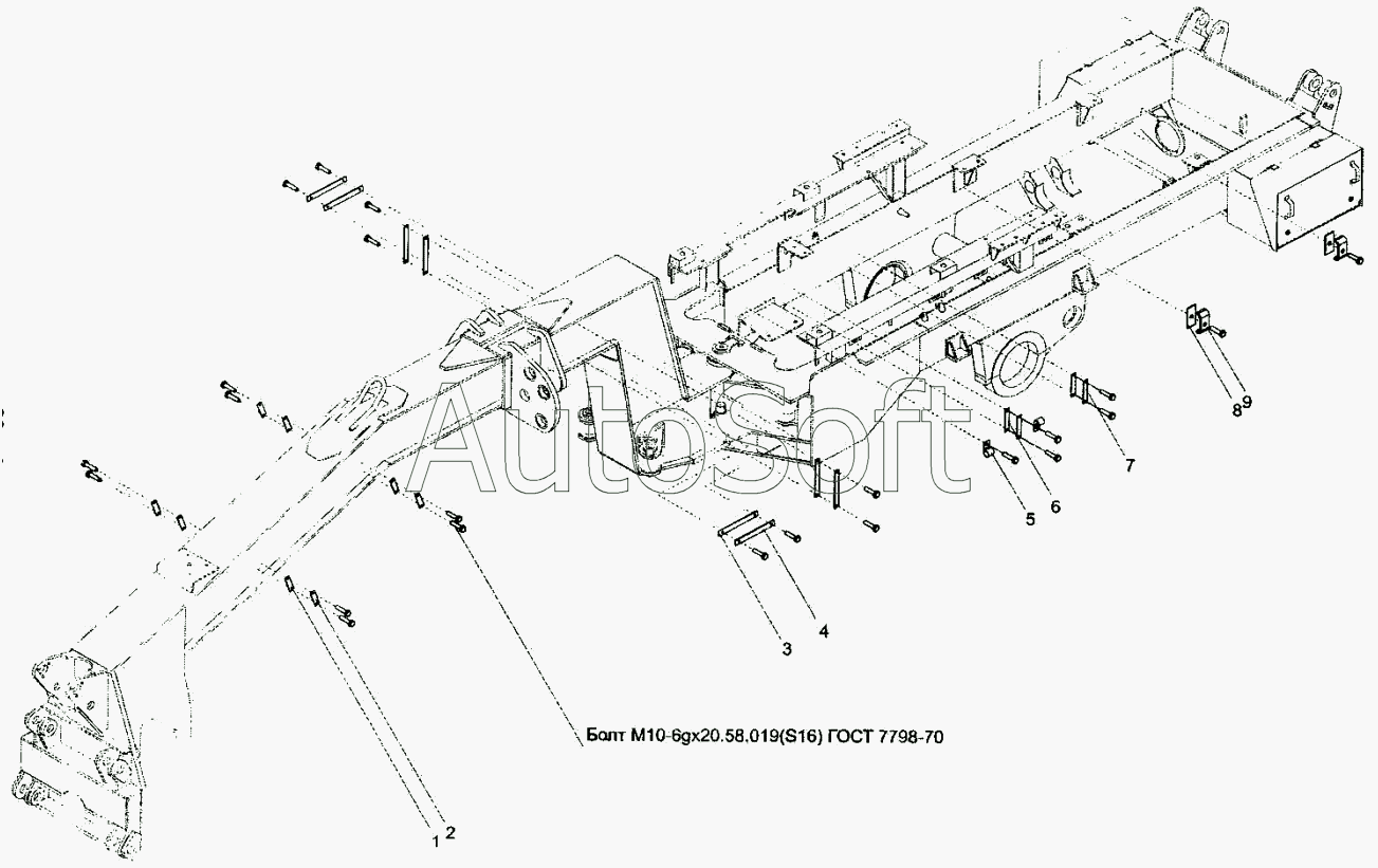
Каталог запасных частей к технике: ЧСДМ А-120 (2003). Гидросистема автогрейдера (А121.43.00.000)
1
2
3
4
5
6
7
8
9
М10-6gх20.58.019(s16)
А121.43.00.000
| Позиция на иллюстрации | Заводской номер детали | Название детали | |
|---|---|---|---|
| А121.43.00.000 | А***0 | Гидросистема автогрейдера | |
| М10-6gх20.58.019(s16) | М***) | Болт М10-6gх20.58.019(s16) ГОСТ 7798-70 | |
| 1 | А***3 | Прокладка | |
| 2 | 0***3 | Планка | |
| 3 | А***4 | Прокладка | |
| 4 | 0***4 | Планка | |
| 5 | 0***9 | Хомут | |
| 6 | А***1 | Прокладка | |
| 7 | 0***1 | Планка | |
| 8 | Д***4 | Пластина | |
| 9 | Д***3 | Хомут |
Содержащиеся в справочниках-каталогах запасные части и детали не предлагаются к продаже, а носят исключительно информационный характер. В демо-версии артикулы (номера деталей) скрыты. Если вы хотите видеть полные оригинальные номера запчастей, вам необходимо зарегистрироваться на нашем сайте и приобрести подписку по интересующей вас конфигурации, после этого вы сможете встроить онлайн-каталоги на ваш сайт или пользоваться ими из личного кабинета нашего сайта. Обращаем ваше внимание на то, что каталоги содержат информацию об оригинальных заводских номерах и названиях запчастей. База по аналогам в данный момент не реализована. Поиска по VIN-номерам в онлайн-каталоге не предусмотрено. Выбор конкретного каталога осуществляется путем открытия нужного типа техники, марки, модели с учетом года выпуска или модификации.