Каталог запасных частей к технике: Брянский Арсенал АГ-180 (с механической КПП) (2024). Коробка перемены передач 240.30.13.00.000-02

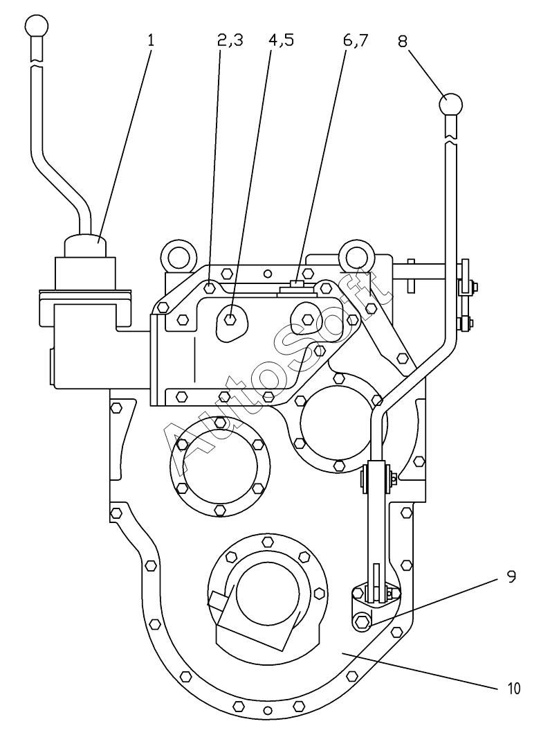
10
2
3
4
5
6
7
8
9
1
Позиция на иллюстрации | Заводской номер детали | Название детали | |
---|---|---|---|
1 | 2***1 | Механизм переключения | |
2 | Б***6 | Болт | |
3 | Ш***6 | Шайба | |
4 | 2***1 | Болт | |
5 | Ш***2 | Шайба С.10.02 | |
6 | 0***0 | Пробка | |
7 | 0***3 | Прокладка | |
8 | 2***6 | Ручка | |
9 | 0***8 | Прокладка | |
10 | 2***0 | Коробка перемены передач | |
11 | 2***0 | Тяга | |
12 | 2***0 | Вилка | |
13 | 2***1 | Палец | |
14 | Ш***2 | Шайба | |
15 | Ш***6 | Шплинт 3,2х25.06 | |
16 | 2***0 | Установка датчика заднего хода | |
17 | 2***9 | Палец | |
18 | Г***0 | Гайка M16-6Н.05.016 | |
19 | 2***0 | Вилка | |
20 | 0***8 | Палец | |
21 | Ш***2 | Шайба | |
22 | Ш***6 | Шплинт 4х36.06 | |
23 | 2***0 | Рычаг | |
24 | 2***2 | Прокладка | |
25 | 2***0 | Болт | |
26 | Г***6 | Гайка M10-6Н.6.016 | |
27 | 2***2 | Проволока пломбировочная | |
28 | П***я | Пломба тросовая | |
29 | 2***3 | Прокладка | |
30 | 2***4 | Шайба | |
31 | 2***2 | Шестерня | |
32 | К***0 | Кольцо | |
33 | 2***6 | Штифт | |
34 | 2***0 | Привод спидометра |
Содержащиеся в справочниках-каталогах запасные части и детали не предлагаются к продаже, а носят исключительно информационный характер. В демо-версии артикулы (номера деталей) скрыты. Если вы хотите видеть полные оригинальные номера запчастей, вам необходимо зарегистрироваться на нашем сайте и приобрести подписку по интересующей вас конфигурации, после этого вы сможете встроить онлайн-каталоги на ваш сайт или пользоваться ими из личного кабинета нашего сайта. Обращаем ваше внимание на то, что каталоги содержат информацию об оригинальных заводских номерах и названиях запчастей. База по аналогам в данный момент не реализована. Поиска по VIN-номерам в онлайн-каталоге не предусмотрено. Выбор конкретного каталога осуществляется путем открытия нужного типа техники, марки, модели с учетом года выпуска или модификации.